 Español
 Español
                        
                    El relé temporizador es una unidad de control automático que se puede combinar con otros equipos eléctricos para realizar el control automático del circuito en funcionamiento. Cuando finaliza el tiempo preestablecido, la salida de contacto se cerrará o abrirá, de modo que el equipo eléctrico terminal pueda funcionar o detenerse automáticamente.
Esta serie de relés de tiempo tiene las ventajas de un amplio rango de voltaje de operación, instrucciones de trabajo claras, pequeño volumen, tamaño uniforme, fácil instalación, etc.
Aplicación: Maquinaria industrial, Iluminación, Fabricación, Sistema HVAC, Alimentación y agricultura.
| Ficha técnica 1 | ||||
|  EKR8-521T |  EKR8-522T |  EKR8-541T |  EKR8-542T | |
|  Características de salida |  Salida SPDT multiperiodo |  Salida DPDT multiperiodo |  Circulación multiperíodo, SPDT |  Circulación multiperíodo, DPDT | 
|  Corriente nominal |  5A/16A | |||
|  Voltaje de trabajo |  Voltaje único: CA 12 V, CA 24 V, CA 110 V, CA 220 V, CC 12 V, CC 24 V Amplio voltaje: CA/CC 12-240 V | |||
|  Intervalo de tiempo |  0,1S ~ 10D | |||
|  Funciones |  Convertidor de doble polo (SPDT) |  Interruptor de doble efecto |  Convertidor de doble polo (SPDT) |  Interruptor de doble efecto | 
| Ficha técnica 2 | |||||
|  EKR8-5110 |  EKR8-5111 |  EKR8-5120 |  EKR8-5121 |  EKR8-5130 | |
|  Características de salida |  SPDT (retardo de encendido) |  SPDT (retardo de apagado) |  DPDT (retardo de encendido) |  DPDT (retardo de apagado) |  Un grupo inst., un grupo retrasado | 
|  Corriente nominal | 5A/16A | ||||
|  Voltaje de trabajo | Voltaje único: CA 12 V, CA 24 V, CA 110 V, CA 220 V, CC 12 V, CC 24 V Amplio voltaje: CA/CC 12-240 V | ||||
|  Intervalo de tiempo |  1S, 3S, 6S, 10S, 30S, 60S, 3M, 6M, 10M, 30M, 60M, 3H, 6H, 10H, 30H | ||||
|  Funciones | Convertidor de doble polo (SPDT) | Interruptor de doble efecto | Interruptor de doble efecto | Interruptor de doble efecto | Interruptor de doble efecto | 
| Ficha técnica 3 | |||
|  EKR8-521★ |  EKR8-522★ |  EKR8-532★ | |
|  Características de salida |  Retardo de tiempo de múltiples períodos, SPDT | Retardo de tiempo multiperiodo, DPDT |  Se puede cambiar entre modo A/B, multiperíodo y retardo de tiempo | 
|  Corriente nominal | 5A/16A | ||
|  Voltaje de trabajo | Voltaje único: CA 12 V, CA 24 V, CA 110 V, CA 220 V, CC 12 V, CC 24 V Amplio voltaje: CA/CC 12-240 V | ||
|  Intervalo de tiempo |  ★: A, B, C, D, E  A: 1S/10S/1M/10M, B: 3S/30S/3M/30M, C: 6S/60S/6M/60M  Ancho: 1 m, 10 m, 1 hora, 10 horas; alto: 3 m, 30 m, 3 horas, 30 horas. | ||
|  Funciones |  Convertidor de doble polo (SPDT) |  Interruptor de doble efecto | Modo A: DPDT,  Modo B: Un grupo inst., Un grupo retardado, DPDT | 
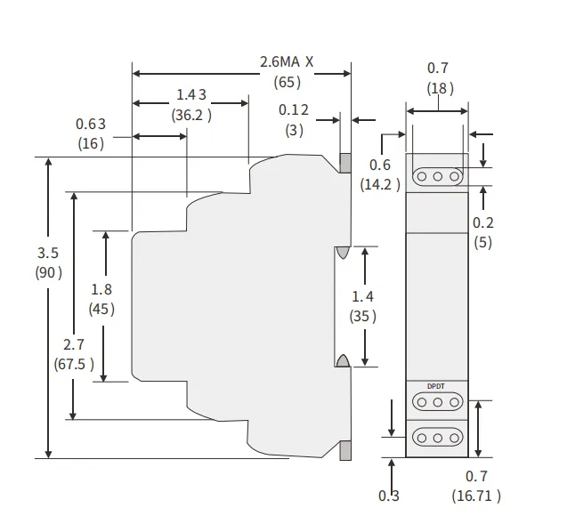
| Dimensión | |
|  | |
| Diagrama de cableado | |
| EKR8-521T/522T | |
|  | |
| EKR8-541T/542T | |
|  | |
| EKR8-5110/5111 | EKR8-5120/5121 | 
|  |  | 
| EKR8-5130 | EKR8-532x | 
|  |  | 
| EKR8-521x/522x | |
|  | |
