● Norma: IEC/EN 61643-11
● Clasificación de sobretensión: Imax=20 kA (8/20 µs)
● Categoría IEC/EN: Tipo 2/Clase II
● Tensión máxima de funcionamiento continuo: 150, 275, 320, 385, 440 V
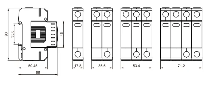
● Vivienda: Diseño enchufable
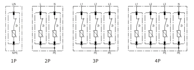
Los dispositivos de protección contra sobretensiones modulares tipo 2 EKU5-T2-20 ofrecen protección para equipos conectados a fuentes de alimentación de CA de bajo voltaje, protegiéndolos contra sobretensiones transitorias causadas por rayos locales o la conmutación de cargas eléctricas inductivas o capacitivas. Están disponibles con bases de conexión para montaje en riel DIN en 1, 2, 3 o 4 módulos, lo que permite enchufar fácilmente los módulos de protección contra sobretensiones elegidos.
| Número de polos | 1P | 2P | 3P | 4P | 1P+NPE | 3P+NPE |
| Sistemas de red | TN-S, TN-C, TT (solo LN) | TN-S | TN-C | TN-S | TT, TN-S | |
| Modo de protección | L-PE, N-PE (solo TN-S), L-PEN, LN | PE de baja densidad y PE de baja densidad | L-PEN | PE de baja densidad y PE de baja densidad | LN, N-PE | |
| Elementos de protección | MOV de alta energía | MOV y GDT de alta energía | ||||
| Tensión máxima de funcionamiento continuo (LN) | Uc | 150 V | 275 V | 320 V | 385 V | 440 V |
| Tensión máxima de funcionamiento continuo (N-PE) | Uc | 255 V | ||||
| Corriente de descarga normal (8/20μs) (LN)/(N-PE) | En | 10 kA | ||||
| Corriente máxima de descarga (8/20μs) (LN)/(N-PE) | Imáx | 20 kA | ||||
| Nivel de protección de tensión (LN)/(N-PE) | Arriba | 0,8 kV/1,5 kV | 1,0 kV/1,5 kV | 1,2 kV/1,5 kV | 1,45 kV/1,5 kV | 1,6 kV/1,5 kV |
| Nivel de protección de voltaje 5kA | Arriba | 0,5 kV | 0,8 kV | 1,0 kV | 1,2 kV | 1,4 kV |
| Tiempo de respuesta (LN)/(N-PE) | ejército de reserva | ≤25 ns/≤100 ns | ||||
| Rango de temperatura de funcionamiento | Tú | -40℃ a +80℃ | ||||
| Fusible de reserva máx. | 125 A gL/gG | |||||
| Indicación de estado de funcionamiento/fallo | Verde/Rojo (LN), Amarillo (N-PE) | |||||
| Área de sección transversal (Mín.)/(Máx.) | 4 mm²/35 mm² | |||||
| Montaje | Riel DIN de 35 mm, EN 60715 | |||||
| Material de la carcasa | Plástico térmico UL94-V0 | |||||
| Grado de protección | IP20 (integrado) | |||||



| Número de polos | Voltaje CA de funcionamiento continuo máximo | ||||
| 150V | 275V | 320V | 385V | 440V | |
|
1P |
EKU5-T2-20-1P150 |
EKU5-T2-20-1P275 |
EKU5-T2-20-1P320 |
EKU5-T2-20-1P385 |
EKU5-T2-20-1P440 |
|
2P |
EKU5-T2-20-2P150 |
EKU5-T2-20-2P275 |
EKU5-T2-20-2P320 |
EKU5-T2-20-2P385 |
EKU5-T2-20-2P440 |
|
3P |
EKU5-T2-20-3P150 |
EKU5-T2-20-3P275 |
EKU5-T2-20-3P320 |
EKU5-T2-20-3P385 |
EKU5-T2-20-3P440 |
|
4P |
EKU5-T2-20-4P150 |
EKU5-T2-20-4P275 |
EKU5-T2-20-4P320 |
EKU5-T2-20-4P385 |
EKU5-T2-20-4P440 |
|
1P+NPE |
EKU5-T2-20-1PN150 |
EKU5-T2-20-1PN275 |
EKU5-T2-20-1PN320 |
EKU5-T2-20-1PN385 |
EKU5-T2-20-1PN440 |
|
3P+NPE |
EKU5-T2-20-3PN150 |
EKU5-T2-20-3PN275 |
EKU5-T2-20-3PN320 |
EKU5-T2-20-3PN385 |
EKU5-T2-20-3PN440 |
| Con señalización remota | |||||
|
1P |
EKU5-T2-20-1P150S |
EKU5-T2-20-1P275S |
EKU5-T2-20-1P320S |
EKU5-T2-20-1P385S |
EKU5-T2-20-1P440S |
|
2P |
EKU5-T2-20-2P150S |
EKU5-T2-20-2P275S |
EKU5-T2-20-2P320S |
EKU5-T2-20-2P385S |
EKU5-T2-20-2P440S |
|
3P |
EKU5-T2-20-3P150S |
EKU5-T2-20-3P275S |
EKU5-T2-20-3P320S |
EKU5-T2-20-3P385S |
EKU5-T2-20-3P440S |
|
4P |
EKU5-T2-20-4P150S |
EKU5-T2-20-4P275S |
EKU5-T2-20-4P320S |
EKU5-T2-20-4P385S |
EKU5-T2-20-4P440S |
|
1P+NPE |
EKU5-T2-20-1PN150S |
EKU5-T2-20-1PN275S |
EKU5-T2-20-1PN320S |
EKU5-T2-20-1PN385S |
EKU5-T2-20-1PN440S |
|
3P+NPE |
EKU5-T2-20-3PN150S |
EKU5-T2-20-3PN275S |
EKU5-T2-20-3PN320S |
EKU5-T2-20-3PN385S |
EKU5-T2-20-3PN440S |
