El relé de protección de voltaje utiliza un procesador de alta velocidad y bajo consumo como núcleo. Cuando la línea de suministro de energía tiene sobrevoltaje, subvoltaje o falla de fase, inversión de fase, el relé cortará el circuito de manera rápida y segura para evitar accidentes causados por voltaje anormal que se envía al dispositivo terminal.
1. Monitoreo conveniente: El relé de voltaje puede monitorear su propio voltaje operativo (medición de valor eficaz verdadero).
2. Aplicación: Protección y control de equipos (grúas torre, elevadores, equipos agrícolas, camiones refrigerados); prevención del funcionamiento inverso de equipos; interruptor de potencia normal/de emergencia; prevención de fallas de fase de cargas dinámicas.
3. Indicador LED: El estado de funcionamiento del relé de control de voltaje se indica mediante el indicador LED.
4. Tamaño pequeño y fácil de instalar: el relé de protección de voltaje es ultrapequeño y se puede montar en un riel DIN de 35 mm.
Datos técnicos | |
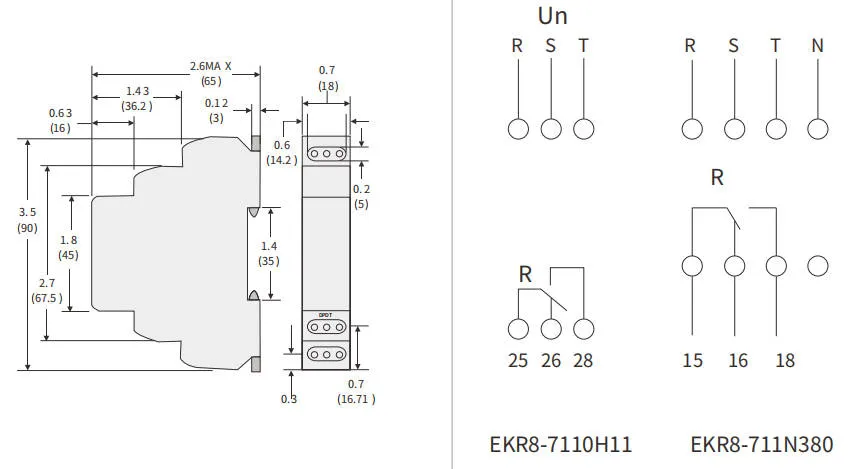
EKR8-7110H11 | |
Tipo de monitoreo | Trifásico, tres hilos |
Características de salida | Convertidor de doble polo (SPDT) |
Retardo de tiempo | 3S |
Falla de fase | √ |
Voltaje de trabajo | Amplio voltaje: CA 220-480 V |
Frecuencia | 50/60 Hz |
Tiempo de respuesta del relé | 0,5 s |
Calificación de contacto | CA-15: 3 A/250 V CA |
Temperatura ambiente | -10 °C ~ +55 °C |
Error de voltaje | ⼠2% Máximo |
Error de temperatura | ⼠2% Máximo |

