

Un relé de corriente es un tipo de interruptor electromagnético que se utiliza como parte de los sistemas de control de equipos eléctricos. Estos relés se utilizan comúnmente como sensores (sensores de corriente/relés de monitoreo) para monitorear el flujo de corriente dentro de equipos industriales y otros equipos sensibles a la seguridad. Dichos equipos utilizan relés de corriente para evitar fallas de funcionamiento debido a cantidades excesivas o insuficientes de corriente eléctrica ("sobrecorriente" y "subcorriente", respectivamente).
Si fluye demasiada corriente a través de una máquina equipada con un relé de corriente, el relé se activará, apagando o alterando de otro modo la cantidad de energía que se permite que fluya a través del circuito o circuitos a los que está conectado el relé. Esto reduce la cantidad de corriente que se permite que fluya a través del sistema. La misma funcionalidad se puede proporcionar a las máquinas u otros aparatos eléctricos para evitar daños debido a la subcorriente.
Los relés de corriente se pueden utilizar tanto para configuraciones de CA como de CC, y su capacidad para prevenir fallas en los equipos debido a sobrecorriente y subcorriente los convierte en un control de riesgos eficaz en lugares de trabajo donde un mal funcionamiento del equipo podría causar lesiones.



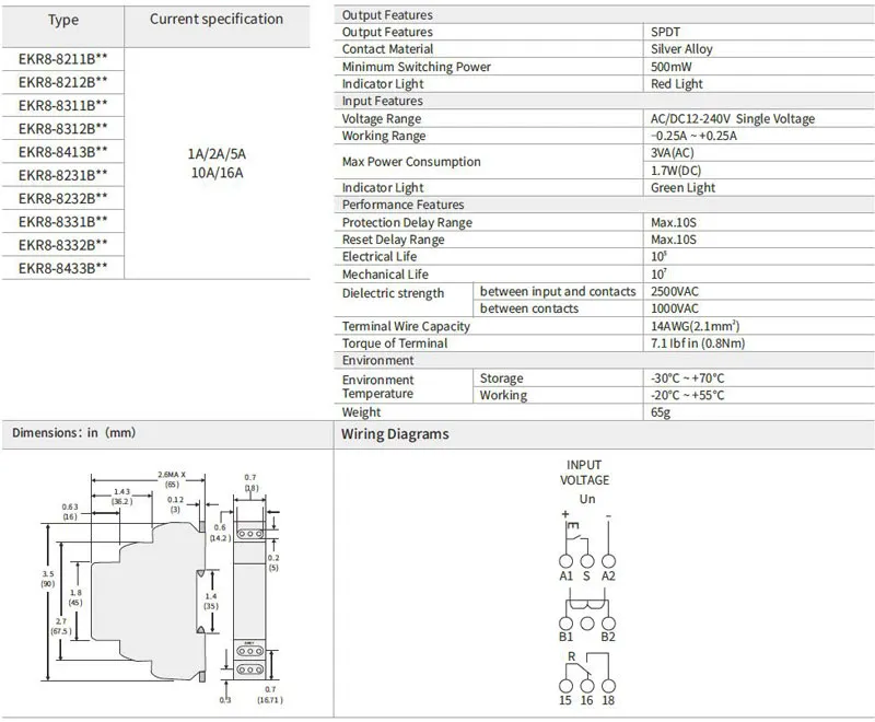
Diagrama de cableado

|
EKR8-8111A01 |
Relé de protección de corriente 1 perilla W=18 Protección de sobrecorriente NO 1A |
|
EKR8-8111A02 |
Relé de protección de corriente 1 perilla W=18 Protección de sobrecorriente NO 2A |
|
EKR8-8111A05 |
Relé de protección de corriente 1 perilla W=18 Protección de sobrecorriente NO 5A |
|
EKR8-8111A10 |
Relé de protección de corriente 1 perilla W=18 Protección de sobrecorriente NO 10A |
|
EKR8-8111A16 |
Relé de protección de corriente 1 perilla W=18 Protección de sobrecorriente NO 16A |
|
EKR8-8112A01 |
Relé de protección de corriente 1 perilla W=18 Protección de subcorriente NO 1A |
|
EKR8-8112A02 |
Relé de protección de corriente 1 perilla W=18 Protección de subcorriente NO 2A |
|
EKR8-8112A05 |
Relé de protección de corriente 1 perilla W=18 Protección de subcorriente NO 5A |
|
EKR8-8112A10 |
Relé de protección de corriente 1 perilla W=18 Protección de subcorriente NO 10A |
|
EKR8-8112A16 |
Relé de protección de corriente 1 perilla W=18 Protección de subcorriente NO 16A |
|
EKR8-8211A01 |
Relé de protección de corriente 2 perillas W=18 Protección de sobrecorriente NO 1A |
|
EKR8-8211A02 |
Relé de protección de corriente 2 perillas W=18 Protección de sobrecorriente NO 2A |
|
EKR8-8211A05 |
Relé de protección de corriente 2 perillas W=18 Protección contra sobrecorriente NO 5A |
|
EKR8-8211A10 |
Relé de protección de corriente 2 perillas W=18 Protección contra sobrecorriente NO 10A |
|
EKR8-8211A16 |
Relé de protección de corriente 2 perillas W=18 Protección contra sobrecorriente NO 16A |
|
EKR8-8212A01 |
Relé de protección de corriente 2 perillas W=18 Protección contra subcorriente NO 1A |
|
EKR8-8212A02 |
Relé de protección de corriente 2 perillas W=18 Protección contra subcorriente NO 2A |
|
EKR8-8212A05 |
Relé de protección de corriente 2 perillas W=18 Protección contra subcorriente NO 5A |
|
EKR8-8212A10 |
Relé de protección de corriente 2 perillas W=18 Protección contra subcorriente NO 10A |
|
EKR8-8212A16 |
Relé de protección de corriente 2 perillas W=18 Protección contra subcorriente NO 16A |
|
EKR8-8311A01 |
Relé de protección de corriente 3 perillas W=18 Protección contra sobrecorriente NO 1A |
|
EKR8-8311A02 |
Relé de protección de corriente 3 perillas W=18 Protección contra sobrecorriente NO 2A |
|
EKR8-8311A05 |
Relé de protección de corriente 3 perillas W=18 Protección contra sobrecorriente NO 5A |
|
EKR8-8311A10 |
Relé de protección de corriente 3 perillas W=18 Protección contra sobrecorriente NO 10A |
|
EKR8-8311A16 |
Relé de protección de corriente 3 perillas W=18 Protección contra sobrecorriente NO 16A |
|
EKR8-8312A01 |
Relé de protección de corriente 3 perillas W=18 Protección contra subcorriente NO 1A |
|
EKR8-8312A02 |
Relé de protección de corriente 3 perillas W=18 Protección contra subcorriente NO 2A |
|
EKR8-8312A05 |
Relé de protección de corriente 3 perillas W=18 Protección contra subcorriente NO 5A |
|
EKR8-8312A10 |
Relé de protección de corriente 3 perillas W=18 Protección contra subcorriente NO 10A |
|
EKR8-8312A16 |
Relé de protección de corriente 3 perillas W=18 Protección contra subcorriente NO 16A |
|
EKR8-8413A01 |
Relé de protección de corriente 4 perillas W=18 Protección contra sobrecorriente/subcorriente NO 1A |
|
EKR8-8413A02 |
Relé de protección de corriente 4 perillas W=18 Protección contra sobrecorriente/subcorriente NO 2A |
|
EKR8-8413A05 |
Relé de protección de corriente 4 perillas W=18 Protección contra sobrecorriente/subcorriente NO 5A |
|
EKR8-8413A10 |
Relé de protección de corriente 4 perillas W=18 Protección contra sobrecorriente/subcorriente NO 10A |
|
EKR8-8413A16 |
Relé de protección de corriente 4 perillas W=18 Protección contra sobrecorriente/subcorriente NO 16A |
|
EKR8-8111B01 |
Relé de protección de corriente 1 perilla W=18 Protección contra sobrecorriente NC 1A |
|
EKR8-8111B02 |
Relé de protección de corriente 1 perilla W=18 Protección contra sobrecorriente NC 2A |
|
EKR8-8111B05 |
Relé de protección de corriente 1 perilla W=18 Protección contra sobrecorriente NC 5A |
|
EKR8-8111B10 |
Relé de protección de corriente 1 perilla W=18 Protección contra sobrecorriente NC 10A |
|
EKR8-8111B16 |
Relé de protección de corriente 1 perilla W=18 Protección contra sobrecorriente NC 16A |
|
EKR8-8112B01 |
Relé de protección de corriente 1 perilla W=18 Protección contra subcorriente NC 1A |
|
EKR8-8112B02 |
Relé de protección de corriente 1 perilla W=18 Protección contra subcorriente NC 2A |
|
EKR8-8112B05 |
Relé de protección de corriente 1 perilla W=18 Protección de subcorriente NC 5A |
|
EKR8-8112B10 |
Relé de protección de corriente 1 perilla W=18 Protección de subcorriente NC 10A |
|
EKR8-8112B16 |
Relé de protección de corriente 1 perilla W=18 Protección de subcorriente NC 16A |
|
EKR8-8211B01 |
Relé de protección de corriente 2 perilla W=18 Protección de sobrecorriente NC 1A |
|
EKR8-8211B02 |
Relé de protección de corriente 2 perilla W=18 Protección de sobrecorriente NC 2A |
|
EKR8-8211B05 |
Relé de protección de corriente 2 perilla W=18 Protección de sobrecorriente NC 5A |
|
EKR8-8211B10 |
Relé de protección de corriente 2 perilla W=18 Protección de sobrecorriente NC 10A |
|
EKR8-8211B16 |
Relé de protección de corriente 2 perilla W=18 Protección de sobrecorriente NC 16A |
|
EKR8-8212B01 |
Relé de protección de corriente 2 perilla W=18 Protección de subcorriente NC 1A |
|
EKR8-8212B02 |
Relé de protección de corriente 2 perilla W=18 Protección de subcorriente NC 2A |
|
EKR8-8212B05 |
Relé de protección de corriente 2 perilla W=18 Protección de subcorriente NC 5A |
|
EKR8-8212B10 |
Relé de protección de corriente 2 perilla W=18 Protección de subcorriente NC 10A |
|
EKR8-8212B16 |
Relé de protección de corriente 2 perillas W=18 Protección contra subcorriente NC 16A |
|
EKR8-8311B01 |
Relé de protección de corriente 3 perillas W=18 Protección contra sobrecorriente NC 1A |
|
EKR8-8311B02 |
Relé de protección de corriente 3 perillas W=18 Protección contra sobrecorriente NC 2A |
|
EKR8-8311B05 |
Relé de protección de corriente 3 perillas W=18 Protección contra sobrecorriente NC 5A |
|
EKR8-8311B10 |
Relé de protección de corriente 3 perillas W=18 Protección contra sobrecorriente NC 10A |
|
EKR8-8311B16 |
Relé de protección de corriente 3 perillas W=18 Protección contra sobrecorriente NC 16A |
|
EKR8-8312B01 |
Relé de protección de corriente 3 perillas W=18 Protección contra subcorriente NC 1A |
|
EKR8-8312B02 |
Relé de protección de corriente 3 perillas W=18 Protección contra subcorriente NC 2A |
|
EKR8-8312B05 |
Relé de protección de corriente 3 perillas W=18 Protección contra subcorriente NC 5A |
|
EKR8-8312B10 |
Relé de protección de corriente 3 perillas W=18 Protección contra subcorriente NC 10A |
|
EKR8-8312B16 |
Relé de protección de corriente 3 perillas W=18 Protección contra subcorriente NC 16A |
|
EKR8-8413B01 |
Relé de protección de corriente 4 perillas W=18 Protección contra sobrecorriente/subcorriente NC 1A |
|
EKR8-8413B02 |
Relé de protección de corriente 4 perillas W=18 Protección contra sobrecorriente/subcorriente NC 2A |
|
EKR8-8413B05 |
Relé de protección de corriente 4 perillas W=18 Protección contra sobrecorriente/subcorriente NC 5A |
|
EKR8-8413B10 |
Relé de protección de corriente 4 perillas W=18 Protección contra sobrecorriente/subcorriente NC 10A |
|
EKR8-8413B16 |
Relé de protección de corriente 4 perillas W=18 Protección contra sobrecorriente/subcorriente NC 16A |
