Los minicontactores son ideales para aplicaciones de servicio general donde el tamaño pequeño y el costo son preocupaciones clave. Se pueden utilizar en aplicaciones modulares y compactas especiales. Las pequeñas dimensiones brindan a los clientes una gran flexibilidad de uso para aplicaciones de hasta 20 A de cargas resistivas y cargas de motor de hasta 5,5 kW. (Generalmente) Disipan menos calor y algunos modelos que tienen un bajo consumo de bobina pueden actuar directamente desde el PLC. Un minicontactor se puede montar en un riel DIN o en la pared. Sus opciones de accesorios son limitadas. Puede usarlos en máquinas pequeñas, puertas automáticas, electrodomésticos de cocina industriales y máquinas de limpieza.
| Solicitud | circuitos de apertura y cierre remotos |
| Protege el circuito contra sobrecargas al ensamblarlo con relé de sobrecarga térmica | |
| Arranque y control frecuentes del contactor de CA | |
| Valor eléctrico | CA 50/60 Hz, 690 V, hasta 12 A |
| Categoría de utilización | CA-3, CA-4 |
| Altitud | ≤2000 m |
| Temperatura ambiente | -5℃~+40℃ |
| Categoría de montaje | Ⅲ |
| Condiciones de montaje | La inclinación entre el plano de montaje y el plano vertical no debe superar los ±5°. |
| Estándar | CEI/EN 60947-4-1. CEI/EN 60947-5-1. |
| Funcionamiento de la bobina de CA | Voltios (VAC) | 24 | 36 | 42 | 48 | 110 | 127 | 220 | 230 | 240 | 380 | 415 | 440 | 480 | 500 | 600 | |
| Código | 50 Hz | B5 | C5 | D5 | E5 | F5 | G5 | M5 | P5 | U5 | Q5 | N5 | R5 | - | S5 | Y5 | |
| 60 Hz | B6 | - | D6 | E6 | F6 | G6 | M6 | - | U6 | Q6 | - | R6 | T6 | - | - | ||
| 50/60 Hz | B7 | - | D7 | E7 | F7 | - | M7 | P7 | - | Q7 | N7 | R7 | - | - | - | ||
| Funcionamiento de la bobina de CC | Voltios (VCC) | 12 | 24 | 36 | 48 | 110 | 220 | ||||||||||
| Código | Juez de distrito | BD | CD | Depresión | Departamento de Bomberos | Maryland | |||||||||||

| Estándar | Normas IEC/EN60947-4-1 IEC/EN60947-5-1 | ||
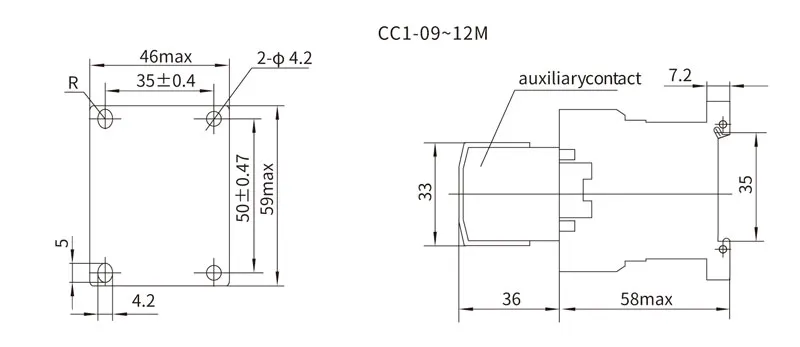
| Modelo Nro. | EKC1-09M | EKC1-12M | |
| Corriente nominal de calentamiento convencional | Ith(A) | 20 | 20 |
| Tensión nominal Ui(V) | Ui(V) | 690 | 690 |
| Corriente nominal de operación | AC-3 Ie(A) | 9 | 12 |
| Ue=380/415 V | CA-4 Ie(A) | 3.5 | 5 |
| Motor de jaula trifásico controlado por potencia AC-3 | 220/240 V kW | 2.2 | 3 |
| 380/415 V kW | 4 | 5.5 | |
| 660/690 V kW | 5.5 | 7.5 | |
| Vida eléctrica (x103 operaciones) | AC-3 | 1000 | 1000 |
| AC-4 | 200 | 200 | |
| Vida mecánica (x106 operaciones) | 10 | 10 | |
| Fusible emparejado | Tamaño | RT16-00 | RT16-00 |
| A | 20 | 20 | |
| Circuito principal | 3P o 4P | ||
| Circuito auxiliar Cat.:AC-15, Ue=415V Ie=0,95A Ith=10A | 1NO o 1NC | ||

|
N° de referencia |
Especificación |
|
EKC1-0910M-24 |
Mini Contactor 4KW AC3 9A 3P+1NO Bobina 24VAC |
|
EKC1-0910M-42 |
Mini Contactor 4KW AC3 9A 3P+1NO Bobina 42VAC |
|
EKC1-0910M-48 |
Mini Contactor 4KW AC3 9A 3P+1NO Bobina 48VAC |
|
EKC1-0910M-110 |
Mini Contactor 4KW AC3 9A 3P+1NO Bobina 110VAC |
|
EKC1-0910M-220 |
Mini Contactor 4KW AC3 9A 3P+1NO Bobina 220VAC |
|
EKC1-0910M-230 |
Mini Contactor 4KW AC3 9A 3P+1NO Bobina 230VAC |
|
EKC1-0910M-240 |
Mini Contactor 4KW AC3 9A 3P+1NO Bobina 240VAC |
|
EKC1-0910M-380 |
Mini Contactor 4KW AC3 9A 3P+1NO Bobina 380VAC |
|
EKC1-0910M-415 |
Mini Contactor 4KW AC3 9A 3P+1NO Bobina 415VAC |
|
EKC1-0901M-24 |
Mini Contactor 4KW AC3 9A 3P+1NC Bobina 24VAC |
|
EKC1-0901M-42 |
Mini Contactor 4KW AC3 9A 3P+1NC Bobina 42VAC |
|
EKC1-0901M-48 |
Mini Contactor 4KW AC3 9A 3P+1NC Bobina 48VAC |
|
EKC1-0901M-110 |
Mini Contactor 4KW AC3 9A 3P+1NC Bobina 110VAC |
|
EKC1-0901M-220 |
Mini Contactor 4KW AC3 9A 3P+1NC Bobina 220VAC |
|
EKC1-0901M-230 |
Mini Contactor 4KW AC3 9A 3P+1NC Bobina 230VAC |
|
EKC1-0901M-240 |
Mini Contactor 4KW AC3 9A 3P+1NC Bobina 240VAC |
|
EKC1-0901M-380 |
Mini Contactor 4KW AC3 9A 3P+1NC Bobina 380VAC |
|
EKC1-0901M-415 |
Mini Contactor 4KW AC3 9A 3P+1NC Bobina 415VAC |
|
EKC1-1210M-24 |
Mini Contactor 5.5KW AC3 12A 3P+1NO Bobina 24VAC |
|
EKC1-1210M-42 |
Mini Contactor 5.5KW AC3 12A 3P+1NO Bobina 42VAC |
|
EKC1-1210M-48 |
Mini Contactor 5.5KW AC3 12A 3P+1NO Bobina 48VAC |
|
EKC1-1210M-110 |
Minicontactor 5.5KW AC3 12A 3P+1NO Bobina 110VAC |
|
EKC1-1210M-220 |
Minicontactor 5.5KW AC3 12A 3P+1NO Bobina 220VAC |
|
EKC1-1210M-230 |
Minicontactor 5.5KW AC3 12A 3P+1NO Bobina 230VAC |
|
EKC1-1210M-240 |
Minicontactor 5.5KW AC3 12A 3P+1NO Bobina 240VAC |
|
EKC1-1210M-380 |
Minicontactor 5.5KW AC3 12A 3P+1NO Bobina 380VAC |
|
EKC1-1210M-415 |
Minicontactor 5.5KW AC3 12A 3P+1NO Bobina 415VAC |
|
EKC1-1201M-24 |
Minicontactor 5.5KW AC3 12A 3P+1NC Bobina 24VAC |
|
EKC1-1201M-42 |
Minicontactor 5.5KW AC3 12A 3P+1NC Bobina 42VAC |
|
EKC1-1201M-48 |
Minicontactor 5.5KW AC3 12A 3P+1NC Bobina 48VAC |
|
EKC1-1201M-110 |
Mini Contactor 5.5KW AC3 12A 3P+1NC Bobina 110VAC |
|
EKC1-1201M-220 |
Mini Contactor 5.5KW AC3 12A 3P+1NC Bobina 220VAC |
|
EKC1-1201M-230 |
Mini Contactor 5.5KW AC3 12A 3P+1NC Bobina 230VAC |
|
EKC1-1201M-240 |
Mini Contactor 5.5KW AC3 12A 3P+1NC Bobina 240VAC |
|
EKC1-1201M-380 |
Mini Contactor 5.5KW AC3 12A 3P+1NC Bobina 380VAC |
|
EKC1-1201M-415 |
Mini Contactor 5.5KW AC3 12A 3P+1NC Bobina 415VAC |
|
EKC1-0910MZ-12 |
Mini Contactor 4KW AC3 9A 3P+1NO Bobina 12VDC |
|
EKC1-0910MZ-24 |
Mini Contactor 4KW AC3 9A 3P+1NO Bobina 24VDC |
|
EKC1-0910MZ-36 |
Mini Contactor 4KW AC3 9A 3P+1NO Bobina 36 V CC |
|
EKC1-0910MZ-48 |
Mini Contactor 4KW AC3 9A 3P+1NO Bobina 48VDC |
|
EKC1-0910MZ-110 |
Mini Contactor 4KW AC3 9A 3P+1NO Bobina 110VDC |
|
EKC1-0910MZ-220 |
Mini Contactor 4KW AC3 9A 3P+1NO Bobina 220VDC |
|
EKC1-0901MZ-12 |
Mini Contactor 4KW AC3 9A 3P+1NC Bobina 12VDC |
|
EKC1-0901MZ-24 |
Mini Contactor 4KW AC3 9A 3P+1NC Bobina 24VDC |
|
EKC1-0901MZ-36 |
Mini Contactor 4KW AC3 9A 3P+1NC Bobina 36VDC |
|
EKC1-0901MZ-48 |
Mini Contactor 4KW AC3 9A 3P+1NC Bobina 48VDC |
|
EKC1-0901MZ-110 |
Mini Contactor 4KW AC3 9A 3P+1NC Bobina 110VDC |
|
EKC1-0901MZ-220 |
Mini Contactor 4KW AC3 9A 3P+1NC Bobina 220VDC |
|
EKC1-1210MZ-12 |
Mini Contactor 5.5KW AC3 12A 3P+1NO Bobina 12VDC |
|
EKC1-1210MZ-24 |
Mini Contactor 5.5KW AC3 12A 3P+1NO Bobina 24VDC |
|
EKC1-1210MZ-36 |
Mini Contactor 5.5KW AC3 12A 3P+1NO Bobina 36VDC |
|
EKC1-1210MZ-48 |
Mini Contactor 5.5KW AC3 12A 3P+1NO Bobina 48VDC |
|
EKC1-1210MZ-110 |
Mini Contactor 5.5KW AC3 12A 3P+1NO Bobina 110VDC |
|
EKC1-1210MZ-220 |
Mini Contactor 5.5KW AC3 12A 3P+1NO Bobina 220VDC |
|
EKC1-1201MZ-12 |
Mini Contactor 5.5KW AC3 12A 3P+1NC Bobina 12VDC |
|
EKC1-1201MZ-24 |
Mini Contactor 5.5KW AC3 12A 3P+1NC Bobina 24VDC |
|
EKC1-1201MZ-36 |
Mini Contactor 5.5KW AC3 12A 3P+1NC Bobina 36VDC |
|
EKC1-1201MZ-48 |
Mini Contactor 5.5KW AC3 12A 3P+1NC Bobina 48VDC |
|
EKC1-1201MZ-110 |
Mini Contactor 5.5KW AC3 12A 3P+1NC Bobina 110VDC |
|
EKC1-1201MZ-220 |
Mini Contactor 5.5KW AC3 12A 3P+1NC Bobina 220VDC |
|
EKC1-0904M-24 |
Mini Contactor 4KW AC3 9A 4P 4NO Bobina 24VAC |
|
EKC1-0904M-42 |
Mini Contactor 4KW AC3 9A 4P 4NO Bobina 42VAC |
|
EKC1-0904M-48 |
Mini Contactor 4KW AC3 9A 4P 4NO Bobina 48VAC |
|
EKC1-0904M-110 |
Mini Contactor 4KW AC3 9A 4P 4NO Bobina 110VAC |
|
EKC1-0904M-220 |
Mini Contactor 4KW AC3 9A 4P 4NO Bobina 220VAC |
|
EKC1-0904M-230 |
Mini Contactor 4KW AC3 9A 4P 4NO Bobina 230VAC |
|
EKC1-0904M-240 |
Mini Contactor 4KW AC3 9A 4P 4NO Bobina 240VAC |
|
EKC1-0904M-380 |
Mini Contactor 4KW AC3 9A 4P 4NO Bobina 380VAC |
|
EKC1-0904M-415 |
Mini Contactor 4KW AC3 9A 4P 4NO Bobina 415VAC |
|
EKC1-1204M-24 |
Mini Contactor 5.5KW AC3 12A 4P 4NO Bobina 24VAC |
|
EKC1-1204M-42 |
Mini Contactor 5.5KW AC3 12A 4P 4NO Bobina 42VAC |
|
EKC1-1204M-48 |
Mini Contactor 5.5KW AC3 12A 4P 4NO Bobina 48VAC |
|
EKC1-1204M-110 |
Mini Contactor 5.5KW AC3 12A 4P 4NO Bobina 110VAC |
|
EKC1-1204M-220 |
Mini Contactor 5.5KW AC3 12A 4P 4NO Bobina 220VAC |
|
EKC1-1204M-230 |
Mini Contactor 5.5KW AC3 12A 4P 4NO Bobina 230VAC |
|
EKC1-1204M-240 |
Mini Contactor 5.5KW AC3 12A 4P 4NO Bobina 240VAC |
|
EKC1-1204M-380 |
Mini Contactor 5.5KW AC3 12A 4P 4NO Bobina 380VAC |
|
EKC1-1204M-415 |
Mini Contactor 5.5KW AC3 12A 4P 4NO Bobina 415VAC |
|
EKC1-0904MZ-12 |
Minicontactor 4KW AC3 9A 4P 4NO Bobina 12VDC |
|
EKC1-0904MZ-24 |
Mini Contactor 4KW AC3 9A 4P 4NO Bobina 24VDC |
|
EKC1-0904MZ-36 |
Mini Contactor 4KW AC3 9A 4P 4NO Bobina 36VDC |
|
EKC1-0904MZ-48 |
Mini Contactor 4KW AC3 9A 4P 4NO Bobina 48VDC |
|
EKC1-0904MZ-110 |
Mini Contactor 4KW AC3 9A 4P 4NO Bobina 110VDC |
|
EKC1-0904MZ-220 |
Mini Contactor 4KW AC3 9A 4P 4NO Bobina 220VDC |
|
EKC1-1204MZ-12 |
Mini Contactor 5.5KW AC3 12A 4P 4NO Bobina 12VDC |
|
EKC1-1204MZ-24 |
Mini Contactor 5.5KW AC3 12A 4P 4NO Bobina 24VDC |
|
EKC1-1204MZ-36 |
Mini Contactor 5.5KW AC3 12A 4P 4NO Bobina 36VDC |
|
EKC1-1204MZ-48 |
Mini Contactor 5.5KW AC3 12A 4P 4NO Bobina 48VDC |
|
EKC1-1204MZ-110 |
Mini Contactor 5.5KW AC3 12A 4P 4NO Bobina 110 VCC |
|
EKC1-1204MZ-220 |
Minicontactor 5,5 KW CA 3 12 A 4P 4NA Bobina 220 VCC |
