● Norma: IEC/EN 61643-31
● Clasificación de sobretensión: Imax=40 kA (8/20 µs)
● Nivel de protección de tensión (Up): <5,2kV
● Categoría IEC/EN: Clase II/Tipo 2
● Tensión máxima de funcionamiento continuo (Ucpv): 600, 1000, 1500 V
● Vivienda: Diseño enchufable
La serie EKU5-T2-40PV es un protector contra sobretensiones fotovoltaicas multipolar enchufable de tipo 2 diseñado para su uso en aplicaciones solares fotovoltaicas. Se instala en el lado de CC para proteger los dispositivos terminales de un sistema fotovoltaico, como paneles solares e inversores, de los efectos de las sobrecorrientes producidas por rayos.
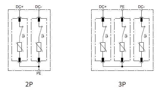
| Número de polos | 2P(2módulos),3P(3módulos) | |||
| Ubicación de uso | Caja de cuerdas, inversor | |||
| Modo de protección | (CC+)-PE,(CC-)-PE,(CC+)-(CC-) | |||
| Elementos de protección | MOV de alta energía | |||
| Tensión máxima de CC de funcionamiento continuo | UCPV-2 | 600 V | 1000 V | 1500 V |
| Corriente de descarga normal (8/20μs) | En | 20 kA | ||
| Corriente de descarga total (8/20μs) | Total | 40 kA | ||
| Corriente máxima de descarga (8/20μs) | Imáx | 40 kA | ||
| Nivel de protección de voltaje (2P) | Arriba | 2,6 kV | 4,0 kV | / |
| Nivel de protección de voltaje (3P) | Arriba | / | 4,0 kV | 5,2 kV |
| Tiempo de respuesta | ejército de reserva | ≤25 ns | ||
| Rango de temperatura de funcionamiento | Tú | -40℃ a +80℃ | ||
| Indicación de estado de funcionamiento/fallo | Verde/Rojo | |||
| Área de sección transversal (Mín.)/(Máx.) | 4 mm²/35 mm² | |||
| Montaje | Riel DIN de 35 mm, EN 60715 | |||
| Material de la carcasa | Plástico térmico UL94-V0 | |||
| Grado de protección | IP20 (integrado) | |||


| Número de polos | Voltaje CC de funcionamiento continuo máximo | ||
|
600VDC |
1000VDC |
1500VDC |
|
| Módulo 2 |
EKU5-T2-40PV-2M600 |
EKU5-T2-40PV-2M1000 |
- |
| Módulo 3 |
- |
EKU5-T2-40PV-3M1000 |
EKU5-T2-40PV-3M1500 |
| Con señalización remota | |||
| Módulo 2 |
EKU5-T2-40PV-2M600S |
EKU5-T2-40PV-2M1000S |
- |
| Módulo 3 | - |
EKU5-T2-40PV-3M1000S |
EKU5-T2-40PV-3M1500S |
