Sistema de combinación mecánica
El montaje y desmontaje del cuarto polo y del contacto auxiliar se realiza de forma rápida y sencilla sin necesidad de herramientas.
![]() | |||||
01 | Contactos auxiliares adicionales | 02 | Tapa de terminal | 03 | Cuarto poste adicional de montaje lateral |
El interruptor de aislamiento adopta el mismo auxiliar El interruptor de aislamiento se puede instalar con hasta | La cubierta del terminal del interruptor de aislamiento tiene una forma simple | Operación de contacto simultáneo o temprano | |||
04 | Cambiar cuerpo | 05 | Mecanismo de enclavamiento mecánico | 06 | Mango giratorio |
El interruptor adopta contacto de compresión. | El interior está hecho de material de alta conductividad. | Mango giratorio, con sistema anti-mal funcionamiento. | |||
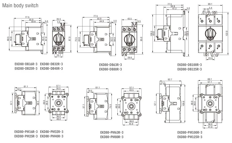
Método de instalación del riel

Tipo | 3P | EKD80-DB63R-6R-IM2 | EKD80-DB80R-6R-IM2 | EKD80-DB100R-6R-IM2 | EKD80-DB63R-3R-IM31 | EKD80-DB80R-3R-IM31 | EKD80-DB100R-3R-IM31 | EKD80-DB63R-3R-IM32 | EKD80-DB80R-3R-IM32 | EKD80-DB100R-3R-IM32 |
4P | EKD80-DB63R-8R-IM2 | EKD80-DB80R-8R-IM2 | EKD80-DB100R-8R-IM2 | EKD80-DB63R-4R-IM31 | EKD80-DB80R-4R-IM31 | EKD80-DB100R-4R-IM31 | EKD80-DB63R-4R-IM32 | EKD80-DB80R-4R-IM32 | EKD80-DB100R-4R-IM32 | |
Actual Corriente de calentamiento acordada (≤40°C) | 63A | 80A | 100A | 63A | 80A | 100A | 63A | 80A | 100A | |
Clasificación IEC operativa le actual CA-21 A/B (≤690 V) | 63A/63A | 80A/80A | 100 A/100 A | 63A/63A | 80A/80A | 100 A/100 A | 63A/63A | 80A/80A | 100 A/100 A | |
Clasificación lEC | 415 V | 63A/63A | 80A/80A 63A/80A | 100 A/100 A 63A/80A | 63A/63A | 80A/80A | 100 A/100 A | 63A/63A | 80A/80A | 100 A/100 A |
500 V | ||||||||||
690 V | 40 A/63 A | 80A/80A | 80A/80A | 40 A/63 A | 63A/80A | 63A/80A | 40 A/63 A | 63A/80A | 63A/80A | |
Clasificación IEC | 415 V | 63A/63A | 80A/80A | 100 A/100 A | 63A/63A | 80A/80A | 80A/80A | 63A/63A | 80A/80A | 80A/80A |
500 V | 63A/63A | 63A/63A | 63A/63A | |||||||
690 V | 40A/40A | 40A/40A | 40A/40A | |||||||
Clasificación lEC | 110 VCC | 63A① | 80A① | 100A① | 63A① | 80A① | 100A① | 63A① | 80A① | 100A① |
250 VCC | 63A② | 80A② | 100A② | 63A② | 80A② | 100A② | 63A② | 80A② | 100A② | |
400 VCC | 40A③ | 40A③ | 40A③ | |||||||
Clasificación lEC | 415 V | 30KW | 37KW | 45KW | 30KW | 37KW | 45KW | 30KW | 37KW | 45KW |
500 V | ||||||||||
690 V | ||||||||||
Corriente de resistencia a cortocircuito de la protección por fusible (valor esperado en kA rms) | ||||||||||
Clase de fusible | 415 V | 63A | 80A | 100A | 63A | 80A | 100A | 63A | 80A | 100A |
Condicional calificado corriente de cortocircuito | 415 V | 50 kA | ||||||||
Corriente de resistencia a cortocircuito del disyuntor para protección, cualquier disyuntor que pueda dispararse en 0,3 s | ||||||||||
Calificado de corta duración soportar corriente | 0,3 s | 3 kA | ||||||||
Rendimiento en cortocircuito (sin protección) | ||||||||||
Calificado de corta duración soportar corriente | 1S | 1,5 kA | ||||||||
Cortocircuito nominal Capacidad de fabricación | 2,1 kA | |||||||||
Área cruzada de terminales | 2,5 ~ 35 mm² | |||||||||
Tensión de aislamiento nominal Ui | 800 V | |||||||||
Resistencia nominal al impulso voltaje Uimp | 8 kV | |||||||||
Resistencia mecánica | 100000 | |||||||||
Temperatura ambiente | Operación -25...+55℃ Almacenamiento -40...+70°C | |||||||||
①Cada polo se utiliza como positivo y negativo.
②Se utilizan tres polos en serie con polos positivos y negativos, de los cuales dos polos están en serie y el otro es negativo.
③Se utilizan cuatro polos en serie con polos positivos y negativos.
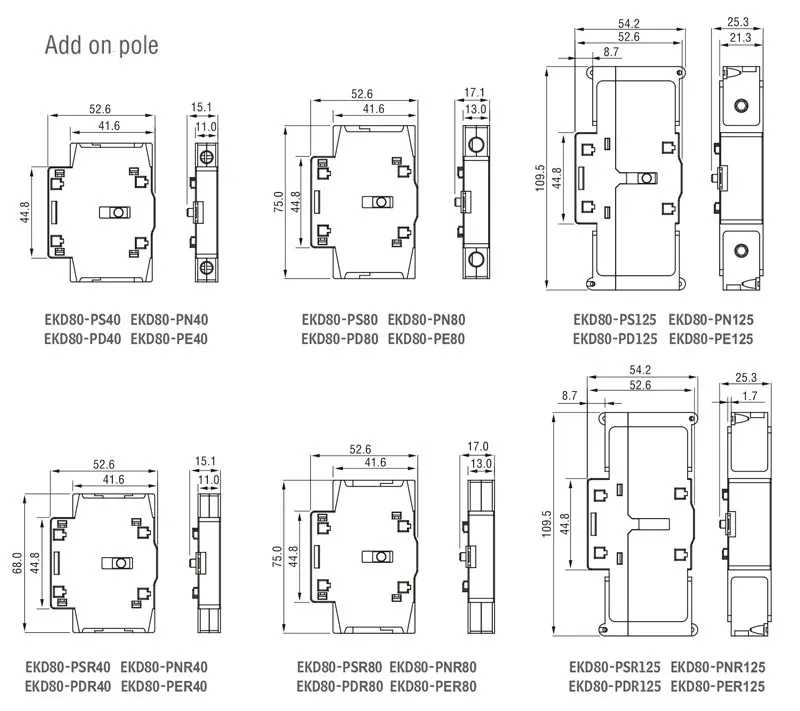
Postes complementarios de montaje lateral



Postes complementarios de montaje lateral


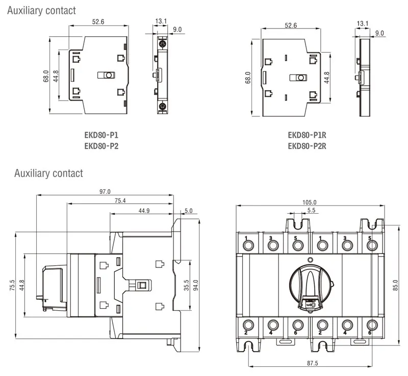
Contactos auxiliares adicionales

Tapa de terminal

Mecanismo de enclavamiento mecánico

Piezas de manija giratoria






