Contactor de servicio de condensador para conmutar bancos de condensadores trifásicos, de uno o varios pasos, en aplicaciones de corrección del factor de potencia. Suprime las altas corrientes de arranque de conmutación de los condensadores de potencia. Los contactores comunes se dañan fácilmente con la conmutación repetida de los condensadores. Por lo tanto, los contactores de servicio de condensador son la mejor opción para encender condensadores, ya que estos tipos de contactores limitan la corriente de entrada y tienden a aumentar la vida útil del condensador.
| Valor eléctrico | CA 50/60 Hz, hasta 690 V; |
| Temperatura ambiente | -5℃~+40℃; el promedio durante 24 horas no debe superar los +35℃ |
| Altitud | ≤2000m; |
| Condiciones atmosféricas | En el lugar de instalación, la humedad relativa no debe superar el 50 % a una temperatura máxima de +40 ℃. Se permite una humedad relativa más alta a temperaturas más bajas. Por ejemplo, la humedad relativa podría ser del 90 % a +20 ℃. Se deben tomar medidas especiales para evitar la formación de rocío. |
| Grado de contaminación | 3 |
| Categoría de instalación | Ⅲ |
| Condiciones de instalación | La inclinación entre el plano de instalación y el plano vertical es de ±5°. |
| Impacto y sacudida | Los productos deben ubicarse en lugares donde no haya impactos ni sacudidas evidentes. |



| Estándar | IEC/EN60947-4-1 | |||||||
| Modelo Nro. | Certificado de aptitud física 12 | Certificado de aptitud física 16 | Certificado de aptitud física 20 | Certificado de aptitud física 25 | Certificado de aptitud física 33 | Certificado EKCC-40 | Certificado EKCC-60 | |
| Tamaño del contactor | EKC1-18 | EKC1-25 | EKC1-32 | EKC1-40 | EKC1-50 | EKC1-65 | EKC1-95 | |
| Corriente nominal de calentamiento convencional | Ith(A) | 32 | 40 | 50 | 60 | 80 | 80 | 125 |
| Corriente de trabajo nominal | 415 V/Ie (A) | 18 | 25 | 32 | 40 | 50 | 65 | 95 |
| Controlado por condensador | 220 V/240 V (Kvar) |
6 | 8 | 10 | 12.5 | 16.5 | 20 | 30 |
| 400 V/440 V (Kvar) |
12 | 16 | 20 | 25 | 33 | 40 | 60 | |
| Tensión de aislamiento nominal | Ui(V) | 690 | 690 | 690 | 690 | 690 | 690 | 690 |
| Voltaje de operación nominal | Ue(V) | 400 | 400 | 400 | 400 | 400 | 400 | 400 |
| Vida eléctrica (x10 3 ) | Veces | 120 | 120 | 120 | 100 | 100 | 100 | 100 |
| Vida mecánica (x10 3 ) | Veces | 3000 | 3000 | 3000 | 3000 | 3000 | 3000 | 3000 |
| Capacidad de sobretensión restringida | x es decir | 15 | ||||||
| Contacto auxiliar | Ith=10A | 1NO+1NC | 1NO+2NC | |||||
| Control Capacidad |
CA-15 360 VA; CC-13 33 W | |||||||
| PARÁMETROS DE LA BOBINA | ||||||||
| Potencia de la bobina (VA) | Puesta en marcha | 76 | 110 | 110 | 230 | 230 | 230 | 230 |
| Tenencia | 10 | 11 | 11 | 32 | 32 | 32 | 32 | |
| Potencia de control nominal | Nosotros(V) | 24,36,48,110,220,380 | ||||||
| Tiempo de tiro | EM | 12~22 | 15 ~ 24 | 15 ~ 24 | 20 ~ 26 | 20 ~ 26 | 20 ~ 26 | 20 ~ 35 |
| Hora de lanzamiento | EM | 4~12 | 5~19 | 5~19 | 8~12 | 8~12 | 8~12 | 6~20 |
| Rango de operación | Levantar | (85%-110%) Nosotros | ||||||
| Abandonar | (20%-75%) Nosotros | |||||||

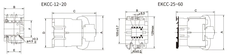
| Modelo | Un máximo | B máx. | C máx. | Dmáx. | mi | F | Nota |
| Certificado de aptitud física 12 | 80 | 47 | 124 | 76 | 34/35 | 50/60 | Se fija con riel DIN de 35 mm. |
| Certificado de aptitud física 16 | 90 | 57 | 132 | 86 | 40 | 48 | |
| Certificado de aptitud física 20 | 90 | 57 | 132 | 86 | 40 | 48 | |
| Certificado de aptitud física 25 | 132 | 77 | 150 | - | - | - | No solo se fija con tornillos, sino que también se puede fijar con riel DIN de 35 mm y 75 mm. |
| EKCC-33 | 132 | 77 | 150 | - | - | - | |
| Certificado de aptitud física 40 | 132 | 77 | 150 | - | - | - | |
| Certificado EKCC-60 | 135 | 87 | 162 | - | - | - |
Los terminales de conexión están protegidos mediante una cubierta aislante, que es confiable y segura para la instalación y el funcionamiento;
Para EKCC-12~20, hay tornillos disponibles para la instalación, así como el riel DIN;
Para EKCC-25~60, están disponibles para instalación rieles estándar de 35 mm o 75 mm.
|
EKCC-1211-220 |
Contactor de condensador 12Kvar 1NO+1NC Bobina 220VAC con EKC1-18 |
|
EKCC-1611-220 |
Contactor de condensador 16Kvar 1NO+1NC Bobina 220VAC con EKC1-25 |
|
EKCC-2011-220 |
Contactor de condensador 20Kvar 1NO+1NC Bobina 220VAC con EKC1-32 |
|
EKCC-2512-220 |
Contactor de condensador 25Kvar 1NO+2NC Bobina 220VAC con EKC1-40 |
|
EKCC-3312-220 |
Contactor de condensador 33Kvar 1NO+2NC Bobina 220VAC con EKC1-50 |
|
EKCC-4012-220 |
Contactor de condensador 40Kvar 1NO+2NC Bobina 220VAC con EKC1-65 |
|
EKCC-6012-220 |
Contactor de condensador 60Kvar 1NO+2NC Bobina 220VAC con EKC1-95 |
|
EKCC-1211-230 |
Contactor de condensador 12Kvar 1NO+1NC Bobina 230VAC con EKC1-18 |
|
EKCC-1611-230 |
Contactor de condensador Contactor 16Kvar 1NO+1NC Bobina 230VAC con EKC1-25 |
|
EKCC-2011-230 |
Contactor Capacitivo 20Kvar 1NO+1NC Bobina 230VAC con EKC1-32 |
|
EKCC-2512-230 |
Contactor Capacitivo 25Kvar 1NO+2NC Bobina 230VAC con EKC1-40 |
|
EKCC-3312-230 |
Contactor Capacitivo 33Kvar 1NO+2NC Bobina 230VAC con EKC1-50 |
|
EKCC-4012-230 |
Contactor Capacitivo 40Kvar 1NO+2NC Bobina 230VAC con EKC1-65 |
|
EKCC-6012-230 |
Contactor Capacitivo 60Kvar 1NO+2NC Bobina 230VAC con EKC1-95 |
|
EKCC-1211-380 |
Contactor Capacitivo 12Kvar 1NO+1NC Bobina 380VAC con EKC1-18 |
|
EKCC-1611-380 |
Contactor Capacitivo 16Kvar 1NO+1NC Bobina 380VAC con EKC1-25 |
|
EKCC-2011-380 |
Contactor Capacitivo 20Kvar 1NO+1NC Bobina 380VAC con EKC1-32 |
|
EKCC-2512-380 |
Contactor de condensador 25Kvar 1NO+2NC Bobina 380VAC con EKC1-40 |
|
EKCC-3312-380 |
Contactor de condensador 33Kvar 1NO+2NC Bobina 380VAC con EKC1-50 |
|
EKCC-4012-380 |
Contactor de condensador 40Kvar 1NO+2NC Bobina 380VAC con EKC1-65 |
|
EKCC-6012-380 |
Contactor de condensador 60Kvar 1NO+2NC Bobina 380VAC con EKC1-95 |
|
EKCC-1211-415 |
Contactor de condensador 12Kvar 1NO+1NC Bobina 415VAC con EKC1-18 |
|
EKCC-1611-415 |
Contactor de condensador 16Kvar 1NO+1NC Bobina 415VAC con EKC1-25 |
|
EKCC-2011-415 |
Contactor de condensador 20Kvar 1NO+1NC Bobina 415VAC con EKC1-32 |
|
EKCC-2512-415 |
Contactor de condensador 25Kvar 1NO+2NC Bobina 415VAC con EKC1-40 |
|
EKCC-3312-415 |
Contactor de condensador 33Kvar 1NO+2NC Bobina 415VAC con EKC1-50 |
|
EKCC-4012-415 |
Contactor de condensador 40Kvar 1NO+2NC Bobina 415VAC con EKC1-65 |
|
EKCC-6012-415 |
Contactor de condensador 60Kvar 1NO+2NC Bobina 415VAC con EKC1-95 |
