● Norma: IEC61009-1
● Tipo: CA, A
● Corriente nominal: 6~63 A
● Tensión nominal: 230/240~, 400/415 V~
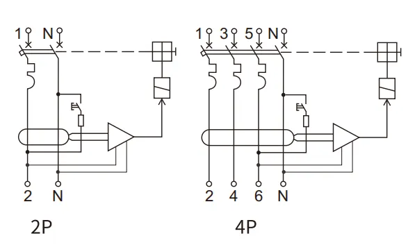
● Número de polos: 2 polos, 4 polos
● Corriente de funcionamiento residual nominal (IAn): 10, 30, 100, 300 mA
● Capacidad nominal de ruptura de cortocircuito: 6kA/10kA
● Curva de disparo: B, C, D
● Temperatura ambiente del aire: -25...+55 ºC
● Conexión: Desde arriba
● Certificados: CE, CB
Los interruptores diferenciales con rango de protección contra sobrecorriente serie EKL5-63 proporcionan una protección completa tanto a las personas como a los aparatos eléctricos, ya que están diseñados para cortar automáticamente el suministro eléctrico en caso de sobrecarga, cortocircuito y fuga a tierra.
Tipo AC Se instalan comúnmente en viviendas y están destinados a ser utilizados para corriente residual sinusoidal alterna para ofrecer equipos inductivos, capacitivos o resistivos. Estos RCBO operan instantáneamente para detectar desequilibrios y no tienen retardo de tiempo.
Tipo A Se utilizan para corriente continua pulsante residual de hasta 6 mA y corriente residual sinusoidal alterna.
Tipo B Se utilizan para equipos trifásicos y monofásicos como escaleras mecánicas, ascensores, sistemas fotovoltaicos, equipos de soldadura e inversores.
Pueden utilizarse como dispositivos de protección para redes bifásicas de 240 V o circuitos trifásicos de 415 V.
Su corriente nominal máxima alcanza los 63 A, y la corriente de fuga mínima tiene 4 opciones: 10 mA, 30 mA, 100 mA y 300 mA.
El RCBO está equipado con una ventana de indicación y un botón de reinicio para distinguir entre disparos por corriente residual (el botón de reinicio aparece) y disparos por sobrecarga (la ventana de indicación se vuelve roja).
El RCBO está disponible en tres o cinco módulos DIN, por lo que es más fácil de instalar que la solución común MCB + bloques adicionales.
Este producto cumple con el estándar IEC61009-1.
|
Estándar |
IEC/EN61009-1 |
||
|
Protección |
Falla a tierra, sobrecorriente y cortocircuito, sobretensión (seleccionable) |
||
|
Tipo de viaje |
Falla a tierra: Electrónica |
||
|
Sobrecarga y cortocircuito: Termomagnético |
|||
|
Tipo de protección (fuga eléctrica) |
CA, A, S | ||
|
Número de polos |
1P+N 3 módulos, 3P+N 5 módulos, línea N con desconectador |
||
| Corriente nominal In | 6,10,16,20,25,32,40,50,63A | ||
| Tensión nominal Ue |
1P+N:230/240V~, 3P+N:400/415V~
|
||
| Frecuencia nominal | 50/60 Hz | ||
|
Corrientes de sensibilidad nominal I△n |
10, 30, 100, 300 mA | ||
|
Tiempo de inactividad de la corriente residual según I△n |
≤0,1 s | ||
|
Capacidad residual nominal de cierre y corte (I△m) |
500 A (In≤50 A), 10 In (In>50 A) |
||
| Capacidad de ruptura nominal | EKL5-63: 6.000A, EKL5-63H: 10.000A | ||
| Clase limitante de energía | 3 | ||
| Tensión nominal soportada al impulso (1,2/50) Uimp | 4.000 V | ||
| Tensión de prueba dieléctrica a frecuencia ind. durante 1 min | 2 kV | ||
|
Característica de liberación térmica |
(1,13-1,45) x pulg. |
||
|
Característica de liberación magnética |
B:(3-5) x Pulgada, C:(5-10) x Pulgada, D:(10-20) x Pulgada |
||
| Vida eléctrica | 4.000 ciclos | ||
| Vida mecánica | 10.000 ciclos | ||
| Indicador de posición de contacto | Sí | ||
|
Indicador de falla a tierra |
Sí | ||
|
Grado de protección |
IP20 | ||
| Temperatura ambiente |
-25℃ a +55℃, humedad máxima del 95 % |
||
| Tipo de conexión de terminal | Barra colectora tipo cable/clavija | ||
|
Tamaño máximo de terminal para cable |
25 mm 2 | ||
|
Par de apriete máximo |
2,5 Nm | ||
|
Instalación |
Montaje en carril DIN de 35 mm |
||
| Conexión |
Desde arriba |
||


| Capacidad de ruptura | Polacos | Corriente nominal (A) | Curva B | Curva C | ||||
| Sensibilidad | ||||||||
| 30mA | 100mA | 300mA | 30mA | 100mA | 300mA | |||
| Type AC | ||||||||
| 6KA | 1P+N | 6A | EKL5-63-1NB0630 | EKL5-63-1NB06100 | EKL5-63-1NB06300 | EKL5-63-1NC0630 | EKL5-63-1NC06100 | EKL5-63-1NC06300 |
| 10A | EKL5-63-1NB1030 | EKL5-63-1NB10100 | EKL5-63-1NB10300 | EKL5-63-1NC1030 | EKL5-63-1NC10100 | EKL5-63-1NC10300 | ||
| 16A | EKL5-63-1NB1630 | EKL5-63-1NB16100 | EKL5-63-1NB16300 | EKL5-63-1NC1630 | EKL5-63-1NC16100 | EKL5-63-1NC16300 | ||
| 20A | EKL5-63-1NB2030 | EKL5-63-1NB20100 | EKL5-63-1NB20300 | EKL5-63-1NC2030 | EKL5-63-1NC20100 | EKL5-63-1NC20300 | ||
| 25A | EKL5-63-1NB2530 | EKL5-63-1NB25100 | EKL5-63-1NB25300 | EKL5-63-1NC2530 | EKL5-63-1NC25100 | EKL5-63-1NC25300 | ||
| 32A | EKL5-63-1NB3230 | EKL5-63-1NB32100 | EKL5-63-1NB32300 | EKL5-63-1NC3230 | EKL5-63-1NC32100 | EKL5-63-1NC32300 | ||
| 40A | EKL5-63-1NB4030 | EKL5-63-1NB40100 | EKL5-63-1NB40300 | EKL5-63-1NC4030 | EKL5-63-1NC40100 | EKL5-63-1NC40300 | ||
| 50A | EKL5-63-1NB5030 | EKL5-63-1NB50100 | EKL5-63-1NB50300 | EKL5-63-1NC5030 | EKL5-63-1NC50100 | EKL5-63-1NC50300 | ||
| 63A | EKL5-63-1NB6330 | EKL5-63-1NB63100 | EKL5-63-1NB63300 | EKL5-63-1NC6330 | EKL5-63-1NC63100 | EKL5-63-1NC63300 | ||
| 3P+N | 6A | EKL5-63-3NB0630 | EKL5-63-3NB06100 | EKL5-63-3NB06300 | EKL5-63-3NC0630 | EKL5-63-3NC06100 | EKL5-63-3NC06300 | |
| 10A | EKL5-63-3NB1030 | EKL5-63-3NB10100 | EKL5-63-3NB10300 | EKL5-63-3NC1030 | EKL5-63-3NC10100 | EKL5-63-3NC10300 | ||
| 16A | EKL5-63-3NB1630 | EKL5-63-3NB16100 | EKL5-63-3NB16300 | EKL5-63-3NC1630 | EKL5-63-3NC16100 | EKL5-63-3NC16300 | ||
| 20A | EKL5-63-3NB2030 | EKL5-63-3NB20100 | EKL5-63-3NB20300 | EKL5-63-3NC2030 | EKL5-63-3NC20100 | EKL5-63-3NC20300 | ||
| 25A | EKL5-63-3NB2530 | EKL5-63-3NB25100 | EKL5-63-3NB25300 | EKL5-63-3NC2530 | EKL5-63-3NC25100 | EKL5-63-3NC25300 | ||
| 32A | EKL5-63-3NB3230 | EKL5-63-3NB32100 | EKL5-63-3NB32300 | EKL5-63-3NC3230 | EKL5-63-3NC32100 | EKL5-63-3NC32300 | ||
| 40A | EKL5-63-3NB4030 | EKL5-63-3NB40100 | EKL5-63-3NB40300 | EKL5-63-3NC4030 | EKL5-63-3NC40100 | EKL5-63-3NC40300 | ||
| 50A | EKL5-63-3NB5030 | EKL5-63-3NB50100 | EKL5-63-3NB50300 | EKL5-63-3NC5030 | EKL5-63-3NC50100 | EKL5-63-3NC50300 | ||
| 63A | EKL5-63-3NB6330 | EKL5-63-3NB63100 | EKL5-63-3NB63300 | EKL5-63-3NC6330 | EKL5-63-3NC63100 | EKL5-63-3NC63300 | ||
| Type A | ||||||||
| 1P+N | 6A | EKL5-63-1NB0630A | EKL5-63-1NB06100A | EKL5-63-1NB06300A | EKL5-63-1NC0630A | EKL5-63-1NC06100A | EKL5-63-1NC06300A | |
| 10A | EKL5-63-1NB1030A | EKL5-63-1NB10100A | EKL5-63-1NB10300A | EKL5-63-1NC1030A | EKL5-63-1NC10100A | EKL5-63-1NC10300A | ||
| 16A | EKL5-63-1NB1630A | EKL5-63-1NB16100A | EKL5-63-1NB16300A | EKL5-63-1NC1630A | EKL5-63-1NC16100A | EKL5-63-1NC16300A | ||
| 20A | EKL5-63-1NB2030A | EKL5-63-1NB20100A | EKL5-63-1NB20300A | EKL5-63-1NC2030A | EKL5-63-1NC20100A | EKL5-63-1NC20300A | ||
| 25A | EKL5-63-1NB2530A | EKL5-63-1NB25100A | EKL5-63-1NB25300A | EKL5-63-1NC2530A | EKL5-63-1NC25100A | EKL5-63-1NC25300A | ||
| 32A | EKL5-63-1NB3230A | EKL5-63-1NB32100A | EKL5-63-1NB32300A | EKL5-63-1NC3230A | EKL5-63-1NC32100A | EKL5-63-1NC32300A | ||
| 40A | EKL5-63-1NB4030A | EKL5-63-1NB40100A | EKL5-63-1NB40300A | EKL5-63-1NC4030A | EKL5-63-1NC40100A | EKL5-63-1NC40300A | ||
| 50A | EKL5-63-1NB5030A | EKL5-63-1NB50100A | EKL5-63-1NB50300A | EKL5-63-1NC5030A | EKL5-63-1NC50100A | EKL5-63-1NC50300A | ||
| 63A | EKL5-63-1NB6330A | EKL5-63-1NB63100A | EKL5-63-1NB63300A | EKL5-63-1NC6330A | EKL5-63-1NC63100A | EKL5-63-1NC63300A | ||
| 3P+N | 6A | EKL5-63-3NB0630A | EKL5-63-3NB06100A | EKL5-63-3NB06300A | EKL5-63-3NC0630A | EKL5-63-3NC06100A | EKL5-63-3NC06300A | |
| 10A | EKL5-63-3NB1030A | EKL5-63-3NB10100A | EKL5-63-3NB10300A | EKL5-63-3NC1030A | EKL5-63-3NC10100A | EKL5-63-3NC10300A | ||
| 16A | EKL5-63-3NB1630A | EKL5-63-3NB16100A | EKL5-63-3NB16300A | EKL5-63-3NC1630A | EKL5-63-3NC16100A | EKL5-63-3NC16300A | ||
| 20A | EKL5-63-3NB2030A | EKL5-63-3NB20100A | EKL5-63-3NB20300A | EKL5-63-3NC2030A | EKL5-63-3NC20100A | EKL5-63-3NC20300A | ||
| 25A | EKL5-63-3NB2530A | EKL5-63-3NB25100A | EKL5-63-3NB25300A | EKL5-63-3NC2530A | EKL5-63-3NC25100A | EKL5-63-3NC25300A | ||
| 32A | EKL5-63-3NB3230A | EKL5-63-3NB32100A | EKL5-63-3NB32300A | EKL5-63-3NC3230A | EKL5-63-3NC32100A | EKL5-63-3NC32300A | ||
| 40A | EKL5-63-3NB4030A | EKL5-63-3NB40100A | EKL5-63-3NB40300A | EKL5-63-3NC4030A | EKL5-63-3NC40100A | EKL5-63-3NC40300A | ||
| 50A | EKL5-63-3NB5030A | EKL5-63-3NB50100A | EKL5-63-3NB50300A | EKL5-63-3NC5030A | EKL5-63-3NC50100A | EKL5-63-3NC50300A | ||
| 63A | EKL5-63-3NB6330A | EKL5-63-3NB63100A | EKL5-63-3NB63300A | EKL5-63-3NC6330A | EKL5-63-3NC63100A | EKL5-63-3NC63300A | ||
| Type AC | ||||||||
| 10KA | 1P+N | 6A | EKL5-63H-1NB0630 | EKL5-63H-1NB06100 | EKL5-63H-1NB06300 | EKL5-63H-1NC0630 | EKL5-63H-1NC06100 | EKL5-63H-1NC06300 |
| 10A | EKL5-63H-1NB1030 | EKL5-63H-1NB10100 | EKL5-63H-1NB10300 | EKL5-63H-1NC1030 | EKL5-63H-1NC10100 | EKL5-63H-1NC10300 | ||
| 16A | EKL5-63H-1NB1630 | EKL5-63H-1NB16100 | EKL5-63H-1NB16300 | EKL5-63H-1NC1630 | EKL5-63H-1NC16100 | EKL5-63H-1NC16300 | ||
| 20A | EKL5-63H-1NB2030 | EKL5-63H-1NB20100 | EKL5-63H-1NB20300 | EKL5-63H-1NC2030 | EKL5-63H-1NC20100 | EKL5-63H-1NC20300 | ||
| 25A | EKL5-63H-1NB2530 | EKL5-63H-1NB25100 | EKL5-63H-1NB25300 | EKL5-63H-1NC2530 | EKL5-63H-1NC25100 | EKL5-63H-1NC25300 | ||
| 32A | EKL5-63H-1NB3230 | EKL5-63H-1NB32100 | EKL5-63H-1NB32300 | EKL5-63H-1NC3230 | EKL5-63H-1NC32100 | EKL5-63H-1NC32300 | ||
| 40A | EKL5-63H-1NB4030 | EKL5-63H-1NB40100 | EKL5-63H-1NB40300 | EKL5-63H-1NC4030 | EKL5-63H-1NC40100 | EKL5-63H-1NC40300 | ||
| 50A | EKL5-63H-1NB5030 | EKL5-63H-1NB50100 | EKL5-63H-1NB50300 | EKL5-63H-1NC5030 | EKL5-63H-1NC50100 | EKL5-63H-1NC50300 | ||
| 63A | EKL5-63H-1NB6330 | EKL5-63H-1NB63100 | EKL5-63H-1NB63300 | EKL5-63H-1NC6330 | EKL5-63H-1NC63100 | EKL5-63H-1NC63300 | ||
| 3P+N | 6A | EKL5-63H-3NB0630 | EKL5-63H-3NB06100 | EKL5-63H-3NB06300 | EKL5-63H-3NC0630 | EKL5-63H-3NC06100 | EKL5-63H-3NC06300 | |
| 10A | EKL5-63H-3NB1030 | EKL5-63H-3NB10100 | EKL5-63H-3NB10300 | EKL5-63H-3NC1030 | EKL5-63H-3NC10100 | EKL5-63H-3NC10300 | ||
| 16A | EKL5-63H-3NB1630 | EKL5-63H-3NB16100 | EKL5-63H-3NB16300 | EKL5-63H-3NC1630 | EKL5-63H-3NC16100 | EKL5-63H-3NC16300 | ||
| 20A | EKL5-63H-3NB2030 | EKL5-63H-3NB20100 | EKL5-63H-3NB20300 | EKL5-63H-3NC2030 | EKL5-63H-3NC20100 | EKL5-63H-3NC20300 | ||
| 25A | EKL5-63H-3NB2530 | EKL5-63H-3NB25100 | EKL5-63H-3NB25300 | EKL5-63H-3NC2530 | EKL5-63H-3NC25100 | EKL5-63H-3NC25300 | ||
| 32A | EKL5-63H-3NB3230 | EKL5-63H-3NB32100 | EKL5-63H-3NB32300 | EKL5-63H-3NC3230 | EKL5-63H-3NC32100 | EKL5-63H-3NC32300 | ||
| 40A | EKL5-63H-3NB4030 | EKL5-63H-3NB40100 | EKL5-63H-3NB40300 | EKL5-63H-3NC4030 | EKL5-63H-3NC40100 | EKL5-63H-3NC40300 | ||
| 50A | EKL5-63H-3NB5030 | EKL5-63H-3NB50100 | EKL5-63H-3NB50300 | EKL5-63H-3NC5030 | EKL5-63H-3NC50100 | EKL5-63H-3NC50300 | ||
| 63A | EKL5-63H-3NB6330 | EKL5-63H-3NB63100 | EKL5-63H-3NB63300 | EKL5-63H-3NC6330 | EKL5-63H-3NC63100 | EKL5-63H-3NC63300 | ||
| Type A | ||||||||
| 1P+N | 6A | EKL5-63H-1NB0630A | EKL5-63H-1NB06100A | EKL5-63H-1NB06300A | EKL5-63H-1NC0630A | EKL5-63H-1NC06100A | EKL5-63H-1NC06300A | |
| 10A | EKL5-63H-1NB1030A | EKL5-63H-1NB10100A | EKL5-63H-1NB10300A | EKL5-63H-1NC1030A | EKL5-63H-1NC10100A | EKL5-63H-1NC10300A | ||
| 16A | EKL5-63H-1NB1630A | EKL5-63H-1NB16100A | EKL5-63H-1NB16300A | EKL5-63H-1NC1630A | EKL5-63H-1NC16100A | EKL5-63H-1NC16300A | ||
| 20A | EKL5-63H-1NB2030A | EKL5-63H-1NB20100A | EKL5-63H-1NB20300A | EKL5-63H-1NC2030A | EKL5-63H-1NC20100A | EKL5-63H-1NC20300A | ||
| 25A | EKL5-63H-1NB2530A | EKL5-63H-1NB25100A | EKL5-63H-1NB25300A | EKL5-63H-1NC2530A | EKL5-63H-1NC25100A | EKL5-63H-1NC25300A | ||
| 32A | EKL5-63H-1NB3230A | EKL5-63H-1NB32100A | EKL5-63H-1NB32300A | EKL5-63H-1NC3230A | EKL5-63H-1NC32100A | EKL5-63H-1NC32300A | ||
| 40A | EKL5-63H-1NB4030A | EKL5-63H-1NB40100A | EKL5-63H-1NB40300A | EKL5-63H-1NC4030A | EKL5-63H-1NC40100A | EKL5-63H-1NC40300A | ||
| 50A | EKL5-63H-1NB5030A | EKL5-63H-1NB50100A | EKL5-63H-1NB50300A | EKL5-63H-1NC5030A | EKL5-63H-1NC50100A | EKL5-63H-1NC50300A | ||
| 63A | EKL5-63H-1NB6330A | EKL5-63H-1NB63100A | EKL5-63H-1NB63300A | EKL5-63H-1NC6330A | EKL5-63H-1NC63100A | EKL5-63H-1NC63300A | ||
| 3P+N | 6A | EKL5-63H-3NB0630A | EKL5-63H-3NB06100A | EKL5-63H-3NB06300A | EKL5-63H-3NC0630A | EKL5-63H-3NC06100A | EKL5-63H-3NC06300A | |
| 10A | EKL5-63H-3NB1030A | EKL5-63H-3NB10100A | EKL5-63H-3NB10300A | EKL5-63H-3NC1030A | EKL5-63H-3NC10100A | EKL5-63H-3NC10300A | ||
| 16A | EKL5-63H-3NB1630A | EKL5-63H-3NB16100A | EKL5-63H-3NB16300A | EKL5-63H-3NC1630A | EKL5-63H-3NC16100A | EKL5-63H-3NC16300A | ||
| 20A | EKL5-63H-3NB2030A | EKL5-63H-3NB20100A | EKL5-63H-3NB20300A | EKL5-63H-3NC2030A | EKL5-63H-3NC20100A | EKL5-63H-3NC20300A | ||
| 25A | EKL5-63H-3NB2530A | EKL5-63H-3NB25100A | EKL5-63H-3NB25300A | EKL5-63H-3NC2530A | EKL5-63H-3NC25100A | EKL5-63H-3NC25300A | ||
| 32A | EKL5-63H-3NB3230A | EKL5-63H-3NB32100A | EKL5-63H-3NB32300A | EKL5-63H-3NC3230A | EKL5-63H-3NC32100A | EKL5-63H-3NC32300A | ||
| 40A | EKL5-63H-3NB4030A | EKL5-63H-3NB40100A | EKL5-63H-3NB40300A | EKL5-63H-3NC4030A | EKL5-63H-3NC40100A | EKL5-63H-3NC40300A | ||
| 50A | EKL5-63H-3NB5030A | EKL5-63H-3NB50100A | EKL5-63H-3NB50300A | EKL5-63H-3NC5030A | EKL5-63H-3NC50100A | EKL5-63H-3NC50300A | ||
| 63A | EKL5-63H-3NB6330A | EKL5-63H-3NB63100A | EKL5-63H-3NB63300A | EKL5-63H-3NC6330A | EKL5-63H-3NC63100A | EKL5-63H-3NC63300A | ||
