● Modo de control: Control de entrada conmutada o control RS485 (MODBUS-RTU)
● Tensión de alimentación nominal: CC 24 V ± 10 % o CA 230 V ± 10 %
● Temperatura ambiente: -20℃ a +55℃
● Tiempos de recierre automático: 3
● Tiempo de intervalo de reenganche automático: 10S - 60S - 300S
● Método de instalación: Montaje en riel DIN de 35 mm
EKR5 es un módulo de control remoto que admite métodos de control RS485 y de conmutación. Este módulo funciona con interruptores diferenciales (se están desarrollando otros productos como interruptores diferenciales y interruptores diferenciales).
Al mismo tiempo, el módulo admite una función de reconexión automática (3 veces). Cuando el dispositivo de protección correspondiente en la línea se activa en un momento inoportuno (apertura manual, disparo por cortocircuito, disparo por fuga, disparo por sobrecarga, etc.), se reiniciará automáticamente para mejorar la confiabilidad del circuito de suministro de energía.
El módulo EKR5 se puede combinar con el interruptor diferencial. Cuando el dispositivo de protección se activa accidentalmente, se vuelve a cerrar automáticamente sin necesidad de intervención manual, lo que reduce los costos de mantenimiento manual y permite la resolución oportuna de problemas para mejorar la eficiencia.
Rangos de voltaje extendidos en dos versiones (24 V CC y 230 V CA)
Tiene una función incorporada para 3 tiempos de recierre.
Se pueden añadir accesorios auxiliares de alarma.
El estado de funcionamiento se indica mediante un LED.
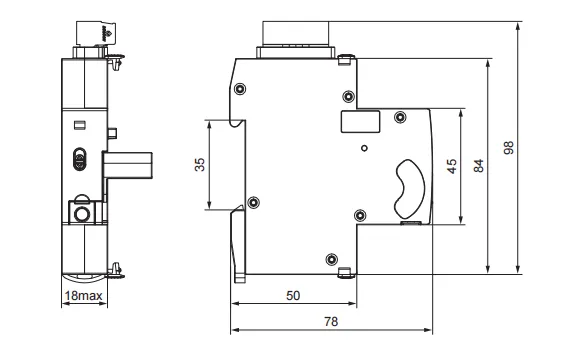
El mecanismo operativo tiene solo 18 mm de ancho.
Se puede utilizar un candado para asegurar el disyuntor en la posición abierta, garantizando así un funcionamiento seguro en el sitio.
Mejore su sistema eléctrico con el dispositivo de control remoto EKR5, que permite un mejor control, optimización energética y una sensación de seguridad.
Modelo | EKR5-AC-C(R) | EKR5-DC-C(R) | EKR5-AC-S(R) | EKR5-DC-S(R) |
Modo de control | Control de entrada de conmutación + Recierre automático (opcional) | Control RS485 (MODBUS-RTU) + reenganche automático (opcional) | ||
Terminales de potencia | A1-A2 | |||
Tensión de alimentación nominal | CA 230 V ± 10 % | CC 24 V ± 10 % | CA 230 V ± 10 % | CC 24 V ± 10 % |
Consumo de energía | Máx. 1 VA (en espera), máx. 20 VA (en funcionamiento) | |||
Rango de frecuencia | 50 ~ 60 Hz | |||
Indicación de suministro | LED rojos y verdes | |||
Tiempo de acción | ≤ 1 s | |||
Tiempos de recierre automático (opcional) | 3 | |||
Tiempo de intervalo de reenganche automático (opcional) | 10S - 60S - 300S | |||
Restablecer los horarios de cierre (Opcional) | No se produce ningún disparo ni reinicio manual dentro de los 15 minutos posteriores al cierre exitoso | |||
Vida eléctrica | 4000 ciclos | |||
| Vida mecánica | 10000 ciclos | |||
Temperatura ambiente | -20℃ a +55℃ | |||
Temperatura de almacenamiento | -35℃ a +75℃ | |||
Método de instalación | Montaje en carril DIN de 35 mm | |||
Grado de protección | IP20 | |||
Categoría de sobretensión | III | |||
Grado de contaminación | 2 | |||
Tamaño máximo de terminal para cable | 2,5 mm² | |||
Dimensiones | 84 × 18 × 78 mm | |||
Productos a juego | EKL6-100, EKL6-100B, EKL6-63EV | |||
| Modelo RCCB | EKL6-100(H) | EJL6-100B | EKL6-63EV |
Estándar | IEC/EN61008-1 | IEC61008-1, IEC62423 | IEC61008-1, IEC62955 |
Tipo de viaje | Electromagnético | ||
Tipo de protección (fuga eléctrica) | CA, A, AG / A-SI, AS | B | A+CC 6 mA |
Número de polos | 2P(1P+N), 4P(3P+N), polo N a la izquierda | ||
Tensión nominal (Ue) | 1P+N: 230/240 V~, 3P+N: 400/415 V~ | ||
Corrientes nominales (In) | 16, 25, 32, 40, 63, 80, 100 A | 16,25,32,40,63A | |
Corrientes de sensibilidad nominal (IΔn) | 10, 30, 100, 300 mA (10 mA solo para In=16-25 A) | 30,100,300 mA | 30 mA, umbral de disparo de CC (I Δdc)=6mA |
Capacidad de ruptura nominal | 6.000 A, 10.000 A | 10.000 A | 10.000 A |
Vida eléctrica | 2.000 ciclos | ||
Vida mecánica | 4.000 ciclos | ||
Temperatura ambiente | -25℃ a +40℃ | -25℃ a +55℃ | |
Indicador de falla a tierra | Sí | ||
Grado de protección | IP20 | ||
Tipo de conexión de terminal | Cable/Barra colectora tipo clavija/Barra colectora tipo horquilla | ||
Tamaño máximo de terminal para cable | 35 mm2 | ||
Par de apriete máximo | 2,5 Nm | ||
Instalación | Montaje en carril DIN de 35 mm | ||
Conexión | Desde arriba o desde abajo | ||




