● Norma: IEC/EN 61643-11
● Clasificación de sobretensión: Imax=40 kA (8/20 µs)
● Categoría IEC/EN: Tipo 2/Clase II
● Tensión máxima de funcionamiento continuo: 275, 320, 385, 440 V
● Vivienda: Diseño enchufable
Los dispositivos de protección contra sobretensiones modulares Imax 40kA EKU4-T2-40 Tipo 2 ofrecen protección para equipos conectados a fuentes de alimentación de CA de bajo voltaje, protegiendo contra sobretensiones transitorias causadas por rayos locales o la conmutación de cargas eléctricas inductivas o capacitivas.
El módulo N-PE y el módulo LN realizan una distinción mecánica para evitar combinaciones incorrectas de módulos SPD enchufables y los conectores cumplen con las disposiciones pertinentes del apartado 7.3.1 de la norma IEC61643-11. Por ejemplo, el cartucho del modo N-PE (que consta de un tubo de descarga de gas) se puede enchufar en el modo LN (que consta de un varistor), lo que puede provocar situaciones peligrosas como el inicio de un incendio.
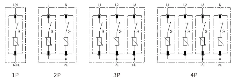
| Número de polos | 1P | 2P | 3P | 4P | 1P+NPE | 3P+NPE |
| Sistemas de red | TN-S, TN-C, TT (solo LN) | TN-S | TN-C | TN-S | TT, TN-S | |
| Modo de protección | L-PE, N-PE (solo TN-S), L-PEN, LN | PE de baja densidad y PE de baja densidad | L-PEN | PE de baja densidad y PE de baja densidad | LN, N-PE | |
| Elementos de protección | MOV de alta energía | MOV y GDT de alta energía | ||||
| Tensión máxima de funcionamiento continuo (LN) | Uc | 275 V | 320 V | 385 V | 440 V |
| Tensión máxima de funcionamiento continuo (N-PE) | Uc | 255 V | |||
| Corriente de descarga normal (8/20μs) (LN)/(N-PE) | En | 20 kA | |||
| Corriente máxima de descarga (8/20μs) (LN)/(N-PE) | Imáx | 40 kA | |||
| Nivel de protección de tensión (LN)/(N-PE) | Arriba | 1,3 kV/1,5 kV | 1,5 kV/1,5 kV | 1,8 kV/1,5 kV | 2,0 kV/1,5 kV |
| Nivel de protección de voltaje 5kA | Arriba | 1,0 kV | 1,2 kV | 1,4 kV | 1,6 kV |
| Tiempo de respuesta (LN)/(N-PE) | ejército de reserva | ≤25 ns/≤100 ns | |||
| Rango de temperatura de funcionamiento | Tú | -40℃ a +80℃ | |||
| Fusible de reserva máx. | 125 A gL/gG | ||||
| Indicación de estado de funcionamiento/fallo | Verde/Rojo (LN), Amarillo (N-PE) | ||||
| Área de sección transversal (Mín.)/(Máx.) | 4 mm²/35 mm² | ||||
| Montaje | Riel DIN de 35 mm, EN 60715 | ||||
| Material de la carcasa | Plástico térmico UL94-V0 | ||||
| Grado de protección | IP20 (integrado) | ||||



| Número de polos | Voltaje CA de funcionamiento continuo máximo | |||
| 275V | 320V | 385V | 440V | |
| 1P | EKU5-T2-40-1P275 | EKU5-T2-40-1P320 | EKU5-T2-40-1P385 | EKU5-T2-40-1P440 |
| 2P | EKU5-T2-40-2P275 | EKU5-T2-40-2P320 | EKU5-T2-40-2P385 | EKU5-T2-40-2P440 |
| 3P | EKU5-T2-40-3P275 | EKU5-T2-40-3P320 | EKU5-T2-40-3P385 | EKU5-T2-40-3P440 |
| 4P | EKU5-T2-40-4P275 | EKU5-T2-40-4P320 | EKU5-T2-40-4P385 | EKU5-T2-40-4P440 |
| 1P+NPE | EKU5-T2-40-1PN275 | EKU5-T2-40-1PN320 | EKU5-T2-40-1PN385 | EKU5-T2-40-1PN440 |
| 3P+NPE | EKU5-T2-40-3PN275 | EKU5-T2-40-3PN320 | EKU5-T2-40-3PN385 | EKU5-T2-40-3PN440 |
| Con señalización remota | ||||
| 1P | EKU5-T2-40-1P275S | EKU5-T2-40-1P320S | EKU5-T2-40-1P385S | EKU5-T2-40-1P440S |
| 2P | EKU5-T2-40-2P275S | EKU5-T2-40-2P320S | EKU5-T2-40-2P385S | EKU5-T2-40-2P440S |
| 3P | EKU5-T2-40-3P275S | EKU5-T2-40-3P320S | EKU5-T2-40-3P385S | EKU5-T2-40-3P440S |
| 4P | EKU5-T2-40-4P275S | EKU5-T2-40-4P320S | EKU5-T2-40-4P385S | EKU5-T2-40-4P440S |
| 1P+NPE | EKU5-T2-40-1PN275S | EKU5-T2-40-1PN320S | EKU5-T2-40-1PN385S | EKU5-T2-40-1PN440S |
| 3P+NPE | EKU5-T2-40-3PN275S | EKU5-T2-40-3PN320S | EKU5-T2-40-3PN385S | EKU5-T2-40-3PN440S |
