● Norma: IEC/EN 61643-31
● Clasificación de sobretensión: Iimp=6,25 kA (10/350 µs), Imax=40 kA (8/20 µs)
● Categoría IEC/EN: Clase I+II / Tipo 1+2
● Tensión máxima de funcionamiento continuo (Ucpv): 500, 1000, 1500 V
● Vivienda: Diseño enchufable
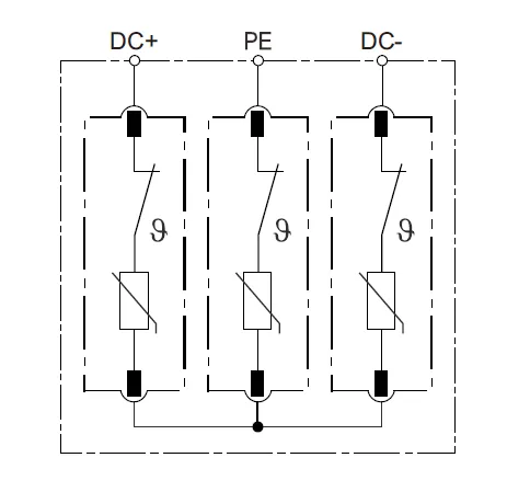
La serie de protectores contra sobretensiones de CC EKU5 T1+T2 está diseñada para su uso en aplicaciones fotovoltaicas (PV) de hasta 1500 V. Estos dispositivos de protección contra sobretensiones (SPD) cumplen con la clasificación PV T1+T2 descrita en la norma IEC 61643-31. La ventana frontal de indicación ayuda a los usuarios a conocer el estado del dispositivo y el puerto de señal remota puede proporcionar indicación y alarma remotas. Además, el diseño del módulo enchufable facilita el mantenimiento y la sustitución posteriores.
| Número de polos | 3P | |||
| Ubicación de uso | Caja de cuerdas, inversor | |||
| Modo de protección | (CC+)-PE,(CC-)-PE,(CC+)-(CC-) | |||
| Elementos de protección | MOV de alta energía | |||
| Tensión máxima de CC de funcionamiento continuo | UCPV-2 | 500 V | 1000 V | 1500 V |
| Corriente de descarga normal (8/20μs) | En | 20 kA | ||
| Corriente de descarga de impulso (10/350μs) | Implícito | 6,25 kA | ||
| Corriente de descarga total (10/350μs) | Total | 12,5 kA | ||
| Corriente de descarga total (8/20μs) | Total | 40 kA | ||
| Corriente máxima de descarga (8/20μs) | Imáx | 40 kA | ||
| Nivel de protección de tensión (DC+)-PE,(DC-)-PE | Arriba | 2 kV | 4,0 kV | 5,2 kV |
| Nivel de protección de voltaje (DC+)-(DC-) | Arriba | / | 4,0 kV | 5,2 kV |
| Tiempo de respuesta | ejército de reserva | ≤25 ns | ||
| Rango de temperatura de funcionamiento | Tú | -40℃ a +80℃ | ||
| Indicación de estado de funcionamiento/fallo | Verde/Rojo | |||
| Área de sección transversal (Mín.)/(Máx.) | 4 mm²/35 mm² | |||
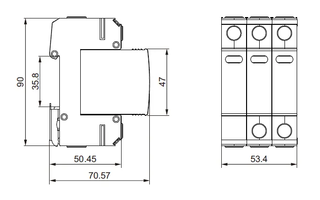
| Montaje | Riel DIN de 35 mm, EN 60715 | |||
| Material de la carcasa | Plástico térmico UL94-V0 | |||
| Grado de protección | IP20 (integrado) | |||


|
Número de polos
|
Voltaje CC de funcionamiento continuo máximo | ||
|
500V
|
1000V | 1500V | |
| Módulo 3 |
EKU5-T1+T2-40PV-3M500
|
EKU5-T1+T2-40PV-3M1000 | EKU5-T1+T2-40PV-3M1500 |
| Con señalización remota | |||
| Módulo 3 |
EKU5-T1+T2-40PV-3M500S
|
EKU5-T1+T2-40PV-3M1000S | EKU5-T1+T2-40PV-3M1500S |
