● Norma: IEC60898-1
● Tipo de viaje: Termomagnético
● Protección: Protección contra sobrecorriente y cortocircuito.
● Corriente nominal: 1~63A
● Tensión nominal: 230/400 V ~ 240/415 V
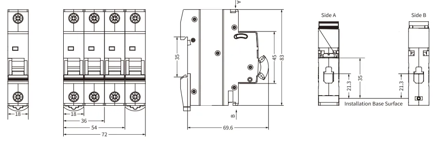
● Número de polos: 1P,2P,3P,4P,1P+N,3P+N
● Capacidad nominal de ruptura de cortocircuito: 4,5 kA
● Curva de disparo: B, C, D
● Temperatura ambiente del aire: -25...+40 ºC
● Conexión: desde arriba y desde abajo
● Certificados: CB, CE
El minidisyuntor EKM2-63X de 4,5 kA ofrece protección confiable contra sobrecorrientes y cortocircuitos para aplicaciones residenciales e industriales. Con una amplia gama de corrientes nominales, tipo de disparo termomagnético y conexión de terminal de barra colectora tipo cable/clavija, es una opción versátil y duradera para sus necesidades de protección de circuitos.
| Estándar | IEC/EN60898-1 |
| Protección | Sobrecorriente y cortocircuito |
| Tipo de viaje | Termomagnético |
| Corriente nominal en | 1,2,3,4,5,6,10,16,20,25,32,40,50,63A |
| Polacos | 1P, 1P+N, 2P, 3P, 3P+N, 4P |
| Tensión nominal Ue | 240/415 V~ |
| Frecuencia nominal | 50/60 Hz |
| Capacidad de ruptura nominal | 4.500 A |
| Tensión nominal soportada al impulso (1,2/50) Uimp | 4.000 V |
| Tensión de prueba dieléctrica a frecuencia ind. durante 1 min | 2 kV |
| Característica de liberación térmica | (1,13-1,45) x pulg. |
| Característica de liberación magnética | B:(3-5) x Pulgada, C:(5-10) x Pulgada, D:(10-20) x Pulgada |
| Vida eléctrica | 4.000 ciclos |
| Vida mecánica | 10.000 ciclos |
| Indicador de posición de contacto | Sí |
| Grado de protección | IP20 |
| Temperatura ambiente (con media diaria ≤35℃) | -5℃~+40℃, Humedad máxima del 95 % |
| Tipo de conexión de terminal | Barra colectora tipo cable/clavija |
| Tamaño máximo de terminal para cable | 25 mm 2 |
| Par de apriete máximo | 2,5 Nm |
| Instalación | Montaje en carril DIN de 35 mm |
| Conexión | De arriba a abajo |


