1. Los portafusibles son dispositivos para contener, proteger y montar fusibles. Los portafusibles vienen en dos tipos básicos: abiertos o completamente cerrados. Los tipos de portafusibles abiertos son los de pinzas para fusibles, bloques de fusibles, casquillos y tapas enchufables. La variedad completamente cerrada puede utilizar un portafusibles que se inserta en un portafusibles o tener otros medios para encerrar completamente el fusible.
2. Las opciones de montaje para los portafusibles incluyen bloque de fusibles, clip de fusible, montaje en panel, montaje en PC, montaje a presión y montaje en línea. Los parámetros ambientales importantes a tener en cuenta al especificar los portafusibles incluyen la temperatura de funcionamiento.
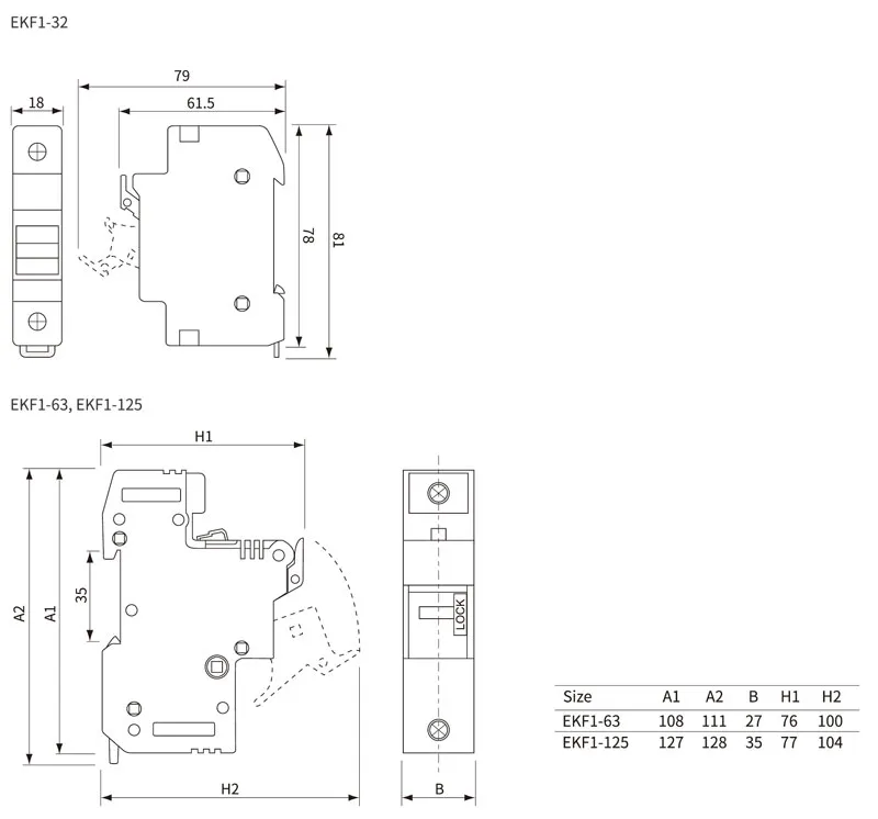
3.Los bloques y portafusibles de CA EKF1 brindan protección contra cortocircuitos y sobrecargas.
Opciones disponibles con indicación y sin indicación.
Cumplimiento de normas: IEC EN 60269-2.
El diseño pequeño y compacto ofrece la máxima flexibilidad.
Montaje en riel DIN de 35 mm.
Fácil instalación y extracción de fusibles sin necesidad de extractores ni herramientas adicionales.
| Corriente nominal In | 32A, 63A, 125A | |
| Modelo Nro. | Tipo general | EKF1-32, EKF1-63, EKF1-125 |
| Con tipo indicador | EKF1-32L, EKF1-63L, EKF1-125L | |
| Polacos | 1P, 2P, 3P, 4P, 1P+N, 3P+N | |
| Categoría de utilización | CA-22A | |
| Tensión nominal Ue | 240/415 V | |
| Tensión de aislamiento Ui | 500 V | |
| Frecuencia nominal | 50/60 Hz | |
| Tensión nominal soportada al impulso (1,5/50) Uimp | 4.000 V | |
| Vida eléctrica | 1.500 ciclos | |
| Vida mecánica | 8.500 ciclos | |
| Frecuencia de operación | 120/hora | |
| Grado de protección | IP20 | |
| Par de apriete | EKF1-32 | 1,5 Nm 14 pulg.-libras |
| EKF1-63 | 2,5 Nm 22 pulg.-libras | |
| EKF1-125 | 3,5 Nm 30 pulg.-libras | |
| Tamaño de terminal para cable | EKF1-32 | 16 mm 2 18-5 AWG |
| EKF1-63 | 25 mm2 18-3 AWG | |
| EKF1-125 | 50 mm2 18-2 AWG | |
| Temperatura ambiente (con media diaria ≤35℃) | -5℃~+40℃ | |
| Temperatura de almacenamiento | -25℃~+70℃ | |
| Montaje | Sobre carril DIN EN60715 (35mm) mediante dispositivo de clip rápido | |


|
Calificación actual |
N° de referencia |
Especificación |
Tamaño del fusible |
|
32A |
EKF1-32-1 |
Base de fusible modular 32A Marco 1P A=18mm |
10x38mm |
|
EKF1-32N-1 |
Base de fusible modular 32A Marco 1P+N A=18mm |
||
|
EKF1-32-2 |
Base de fusible modular 32A Marco 2P A=36mm |
||
|
EKF1-32-3 |
Base de fusible modular 32A Marco 3P A=54mm |
||
|
EKF1-32-4 |
Base de fusible modular 32A Marco 4P A=72mm |
||
|
EKF1-32L-1 |
Base de fusible modular con lámpara 32A Marco 1P A=18mm |
||
|
EKF1-32L-2 |
Base de fusible modular con lámpara 32A Marco 2P A=36mm |
||
|
EKF1-32L-3 |
Base de fusible modular con lámpara 32A Marco 3P A=54mm |
||
|
EKF1-32L-4 |
Base de fusible modular con lámpara 32A Marco 4P A=72mm |
||
|
63A |
EKF1-63-1 |
Base de fusible modular 63A Marco 1P A=27mm |
14x51mm |
|
EKF1-63-2 |
Base de fusible modular 63A Marco 2P A=54mm |
||
|
EKF1-63-3 |
Base de fusible modular 63A Marco 3P W=81mm |
||
|
EKF1-63-4 |
Base de fusible modular 63A Marco 4P W=108mm |
||
|
EKF1-63L-1 |
Base de fusible modular con lámpara 63A Marco 1P W=27mm |
||
|
EKF1-63L-2 |
Base de fusible modular con lámpara 63A Marco 2P W=54mm |
||
|
EKF1-63L-3 |
Base de fusible modular con lámpara 63A Marco 3P W=81mm |
||
|
EKF1-63L-4 |
Base de fusible modular con lámpara 63A Marco 4P W=108mm |
||
|
125A |
EKF1-125-1 |
Base de fusible modular 125A Marco 1P W=35mm |
22x58mm |
|
EKF1-125-2 |
Base de fusible modular 125A Marco 2P W=70mm |
||
|
EKF1-125-3 |
Base de fusible modular 125A Marco 3P W=105mm |
||
|
EKF1-125-4 |
Base de fusible modular 125A Marco 4P W=140mm |
||
|
EKF1-125L-1 |
Base de fusible modular con lámpara 125A Marco 1P W=35mm |
||
|
EKF1-125L-2 |
Base de fusible modular con lámpara 125A Marco 2P Base de fusible modular con lámpara, marco de 125 A, 3 polos, ancho = 70 mm |
||
|
EKF1-125L-3 |
Base de fusible modular con lámpara, marco de 125 A, 4 polos, ancho = 140 mm |
||
|
EKF1-125L-4 |
Base de fusible modular con lámpara, marco de 125 A, 4 polos, ancho de 140 mm |
