● Norma: IEC61009-1
● Tipo: CA, A
● Corriente nominal: 6~40 A
● Tensión nominal: 230/240~
● Número de polos: Dos polos
● Corriente de funcionamiento residual nominal (IAn): 10, 30, 100, 300 mA
● Capacidad nominal de ruptura de cortocircuito: 4,5 kA
● Curva de disparo: B, C
● Temperatura ambiente del aire: -25...+40 ºC
● Conexión: Desde abajo
● Certificados: CE, CB
● Marketing: Asia Central, Rusia
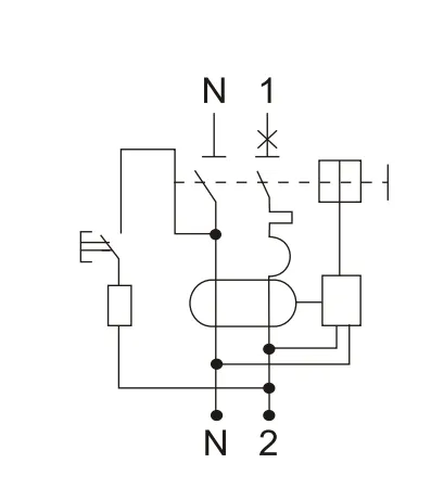
El disyuntor de corriente residual EKL3-40S de 4,5 kA fabricado por ETEK Electric puede proteger su equipo contra sobrecargas dañinas y corrientes de fuga. La carcasa termoplástica de la unidad es resistente a los impactos y proporciona aislamiento para protegerlo de descargas eléctricas. Ofrece una característica de disparo de tipo B o C.
Estándar | IEC/EN61009-1 | ||
Protección | Falla a tierra, sobrecorriente y cortocircuito, sobretensión (seleccionable) | ||
Tipo de viaje | Falla a tierra: Electrónica | ||
Sobrecarga y cortocircuito: Termomagnético | |||
Tipo de protección (fuga eléctrica) | Aire acondicionado, A | ||
Número de polos | Módulo 1P+N 2, línea N con desconectador | ||
| Corriente nominal In | 6,10,16,20,25,32,40A | ||
| Tensión nominal Ue | 230/240 V~ | ||
| Frecuencia nominal | 50/60 Hz | ||
Corrientes de sensibilidad nominal I△n | 10, 30, 100, 300 mA | ||
Tiempo de inactividad de la corriente residual según I△n | ≤0,1 s | ||
Capacidad residual nominal de cierre y corte (I△m) | 500 A (In≤50 A) | ||
| Capacidad de ruptura nominal | 4.500 A | ||
| Tensión nominal soportada al impulso (1,2/50) Uimp | 4.000 V | ||
| Tensión de prueba dieléctrica a frecuencia ind. durante 1 min | 2 kV | ||
Característica de liberación térmica | (1,13-1,45) x pulg. | ||
Característica de liberación magnética | B:(3-5) x In, C:(5-10) x In | ||
| Vida eléctrica | 4.000 ciclos | ||
| Vida mecánica | 10.000 ciclos | ||
| Indicador de posición de contacto | Sí | ||
Grado de protección | IP20 | ||
| Temperatura ambiente | -25℃ a +40℃, humedad máxima del 95 % | ||
| Tipo de conexión de terminal | Barra colectora tipo cable/clavija | ||
Tamaño máximo de terminal para cable | 25 mm2 | ||
Par de apriete máximo | 2,5 Nm | ||
Instalación | Montaje en carril DIN de 35 mm | ||
| Conexión | Desde arriba | ||


