● Norma: IEC61009-1, IEC62423
● Tipo: B (sensible a corrientes residuales de CA, CC pulsante y CC suave)
● Corriente nominal: 6~63 A
● Tensión nominal: 230/240~, 400/415 V~
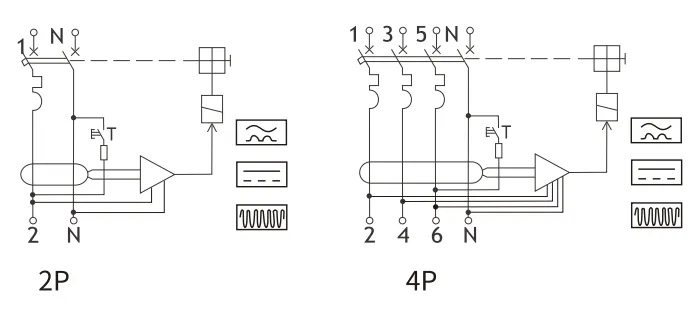
● Número de polos: 2P(1P+N), 4P(3P+N)
● Corriente de funcionamiento residual nominal (IAn): 30, 100, 300 mA
● Capacidad nominal de ruptura de cortocircuito: 10 kA
● Curva de disparo: B, C, D
● Temperatura ambiente del aire: -25...+55 ºC
● Conexión: Desde arriba
● Certificados: CE, CB
Los interruptores diferenciales tipo B protegen a personas y maquinarias en presencia de corriente continua y corriente alterna de falla de alta frecuencia. Entre los diversos tipos de interruptores diferenciales, el tipo B ofrece el máximo nivel de protección.
Corriente residual sinusoidal pura de CA, 50/60 Hz
Una corriente continua sinusoidal y pulsante, 50/60 Hz
B: CA + A + corriente continua suave + alta frecuencia (1 kHz)
IEC/EN 61009-1 Normas básicas para interruptores diferenciales tipo CA y A
Requisitos adicionales de la norma IEC/EN 62423 para el tipo B
Protección contra averías (protección contra contacto indirecto de piezas activas)
Protección adicional (protección en caso de contacto directo con partes activas, I∆n≤30mA)
Protección contra incendios (para lugares expuestos a riesgo de incendio, I∆n≤300mA)
Sistemas fotovoltaicos, lado CA.
Estaciones de carga para vehículos eléctricos.
Máquinas herramienta de velocidad variable.
UPS, centros de datos informáticos.
Controles del ascensor.
Grúas de todo tipo.
Equipos electrónicos en obras de construcción.
Configuraciones de prueba en laboratorios.
Instalaciones generales en las que se pueden esperar corrientes residuales continuas suaves de CC.
La corriente máxima del RCBO tipo EKL5-63 B puede alcanzar los 63 amperios y hay tres opciones de corriente de fuga de 30 mA, 100 mA y 300 mA disponibles para satisfacer las necesidades de diferentes escenarios.
|
Estándar |
Normas IEC/EN61009-1 y IEC/EN62423 |
||
|
Protección |
Falla a tierra, sobrecorriente y cortocircuito, sobretensión (seleccionable) |
||
|
Tipo de viaje |
Falla a tierra: Electrónica |
||
|
Sobrecarga y cortocircuito: Termomagnético |
|||
|
Tipo de protección (fuga eléctrica) |
B (sensible a corrientes residuales de CA, CC pulsante y CC suave) | ||
|
Número de polos |
1P+N 3 módulos, 3P+N 5 módulos, línea N con desconectador |
||
| Corriente nominal In | 6,10,16,20,25,32,40,50,63A | ||
| Tensión nominal Ue |
1P+N:230/240V~, 3P+N:400/415V~ |
||
| Frecuencia nominal | 50/60 Hz | ||
|
Corrientes de sensibilidad nominal I△n |
10, 30, 100, 300 mA | ||
| Umbral de disparo de CC (I △ dc) | (0,5-2) x IΔn | ||
|
Tiempo de inactividad de la corriente residual según I△n |
≤0,1 s | ||
|
Capacidad residual nominal de cierre y corte (I△m) |
500 A (In≤50 A), 10 In (In>50 A) |
||
| Capacidad de ruptura nominal | 10.000 A | ||
| Clase limitante de energía | 3 | ||
| Tensión nominal soportada al impulso (1,2/50) Uimp | 4.000 V | ||
| Tensión de prueba dieléctrica a frecuencia ind. durante 1 min | 2 kV | ||
|
Característica de liberación térmica |
(1,13-1,45) x pulg. |
||
|
Característica de liberación magnética |
B:(3-5) x Pulgada, C:(5-10) x Pulgada, D:(10-20) x Pulgada |
||
| Vida eléctrica | 4.000 ciclos | ||
| Vida mecánica | 10.000 ciclos | ||
| Indicador de posición de contacto | Sí | ||
|
Indicador de falla a tierra |
Sí | ||
|
Grado de protección |
IP20 | ||
| Temperatura ambiente |
-25℃ a +55℃, humedad máxima del 95 % |
||
| Temperatura de almacenamiento | -25℃ a +70℃ | ||
| Tipo de conexión de terminal | Barra colectora tipo cable/clavija | ||
|
Tamaño máximo de terminal para cable |
25 mm 2 | ||
|
Par de apriete máximo |
2,5 Nm | ||
|
Instalación |
Montaje en carril DIN de 35 mm |
||
| Conexión |
Desde arriba |
||


| Modelo | Corriente nominal | Polacos | Curva de viaje | Tipo de RCD | Corriente residual | Código |
| EKL5-63B-1NB0630 | 6A | 1P+N | B | B | 30mA | 132401 |
| EKL5-63B-1NB1030 | 10A | 1P+N | B | B | 30mA | 132402 |
| EKL5-63B-1NB1630 | 16A | 1P+N | B | B | 30mA | 132403 |
| EKL5-63B-1NB2030 | 20A | 1P+N | B | B | 30mA | 132404 |
| EKL5-63B-1NB2530 | 25A | 1P+N | B | B | 30mA | 132405 |
| EKL5-63B-1NB3230 | 32A | 1P+N | B | B | 30mA | 132406 |
| EKL5-63B-1NB4030 | 40A | 1P+N | B | B | 30mA | 132407 |
| EKL5-63B-1NB5030 | 50A | 1P+N | B | B | 30mA | 132408 |
| EKL5-63B-1NB6330 | 63A | 1P+N | B | B | 30mA | 132409 |
| EKL5-63B-1NB06100 | 6A | 1P+N | B | B | 100mA | 132410 |
| EKL5-63B-1NB10100 | 10A | 1P+N | B | B | 100mA | 132411 |
| EKL5-63B-1NB16100 | 16A | 1P+N | B | B | 100mA | 132412 |
| EKL5-63B-1NB20100 | 20A | 1P+N | B | B | 100mA | 132413 |
| EKL5-63B-1NB25100 | 25A | 1P+N | B | B | 100mA | 132414 |
| EKL5-63B-1NB32100 | 32A | 1P+N | B | B | 100mA | 132415 |
| EKL5-63B-1NB40100 | 40A | 1P+N | B | B | 100mA | 132416 |
| EKL5-63B-1NB50100 | 50A | 1P+N | B | B | 100mA | 132417 |
| EKL5-63B-1NB63100 | 63A | 1P+N | B | B | 100mA | 132418 |
| EKL5-63B-1NB06300 | 6A | 1P+N | B | B | 300mA | 132419 |
| EKL5-63B-1NB10300 | 10A | 1P+N | B | B | 300mA | 132420 |
| EKL5-63B-1NB16300 | 16A | 1P+N | B | B | 300mA | 132421 |
| EKL5-63B-1NB20300 | 20A | 1P+N | B | B | 300mA | 132422 |
| EKL5-63B-1NB25300 | 25A | 1P+N | B | B | 300mA | 132423 |
| EKL5-63B-1NB32300 | 32A | 1P+N | B | B | 300mA | 132424 |
| EKL5-63B-1NB40300 | 40A | 1P+N | B | B | 300mA | 132425 |
| EKL5-63B-1NB50300 | 50A | 1P+N | B | B | 300mA | 132426 |
| EKL5-63B-1NB63300 | 63A | 1P+N | B | B | 300mA | 132427 |
| EKL5-63B-1NC0630 | 6A | 1P+N | C | B | 30mA | 132428 |
| EKL5-63B-1NC1030 | 10A | 1P+N | C | B | 30mA | 132429 |
| EKL5-63B-1NC1630 | 16A | 1P+N | C | B | 30mA | 132430 |
| EKL5-63B-1NC2030 | 20A | 1P+N | C | B | 30mA | 132431 |
| EKL5-63B-1NC2530 | 25A | 1P+N | C | B | 30mA | 132432 |
| EKL5-63B-1NC3230 | 32A | 1P+N | C | B | 30mA | 132433 |
| EKL5-63B-1NC4030 | 40A | 1P+N | C | B | 30mA | 132434 |
| EKL5-63B-1NC5030 | 50A | 1P+N | C | B | 30mA | 132435 |
| EKL5-63B-1NC6330 | 63A | 1P+N | C | B | 30mA | 132436 |
| EKL5-63B-1NC06100 | 6A | 1P+N | C | B | 100mA | 132437 |
| EKL5-63B-1NC10100 | 10A | 1P+N | C | B | 100mA | 132438 |
| EKL5-63B-1NC16100 | 16A | 1P+N | C | B | 100mA | 132439 |
| EKL5-63B-1NC20100 | 20A | 1P+N | C | B | 100mA | 132440 |
| EKL5-63B-1NC25100 | 25A | 1P+N | C | B | 100mA | 132441 |
| EKL5-63B-1NC32100 | 32A | 1P+N | C | B | 100mA | 132442 |
| EKL5-63B-1NC40100 | 40A | 1P+N | C | B | 100mA | 132443 |
| EKL5-63B-1NC50100 | 50A | 1P+N | C | B | 100mA | 132444 |
| EKL5-63B-1NC63100 | 63A | 1P+N | C | B | 100mA | 132445 |
| EKL5-63B-1NC06300 | 6A | 1P+N | C | B | 300mA | 132446 |
| EKL5-63B-1NC10300 | 10A | 1P+N | C | B | 300mA | 132447 |
| EKL5-63B-1NC16300 | 16A | 1P+N | C | B | 300mA | 132448 |
| EKL5-63B-1NC20300 | 20A | 1P+N | C | B | 300mA | 132449 |
| EKL5-63B-1NC25300 | 25A | 1P+N | C | B | 300mA | 132450 |
| EKL5-63B-1NC32300 | 32A | 1P+N | C | B | 300mA | 132451 |
| EKL5-63B-1NC40300 | 40A | 1P+N | C | B | 300mA | 132452 |
| EKL5-63B-1NC50300 | 50A | 1P+N | C | B | 300mA | 132453 |
| EKL5-63B-1NC63300 | 63A | 1P+N | C | B | 300mA | 132454 |
| EKL5-63B-1ND0630 | 6A | 1P+N | D | B | 30mA | 133360 |
| EKL5-63B-1ND1030 | 10A | 1P+N | D | B | 30mA | 133361 |
| EKL5-63B-1ND1630 | 16A | 1P+N | D | B | 30mA | 133362 |
| EKL5-63B-1ND2030 | 20A | 1P+N | D | B | 30mA | 133363 |
| EKL5-63B-1ND2530 | 25A | 1P+N | D | B | 30mA | 133364 |
| EKL5-63B-1ND3230 | 32A | 1P+N | D | B | 30mA | 133365 |
| EKL5-63B-1ND4030 | 40A | 1P+N | D | B | 30mA | 133366 |
| EKL5-63B-1ND5030 | 50A | 1P+N | D | B | 30mA | 133367 |
| EKL5-63B-1ND6330 | 63A | 1P+N | D | B | 30mA | 133368 |
| EKL5-63B-1ND06100 | 6A | 1P+N | D | B | 100mA | 133369 |
| EKL5-63B-1ND10100 | 10A | 1P+N | D | B | 100mA | 133370 |
| EKL5-63B-1ND16100 | 16A | 1P+N | D | B | 100mA | 133371 |
| EKL5-63B-1ND20100 | 20A | 1P+N | D | B | 100mA | 133372 |
| EKL5-63B-1ND25100 | 25A | 1P+N | D | B | 100mA | 133373 |
| EKL5-63B-1ND32100 | 32A | 1P+N | D | B | 100mA | 133374 |
| EKL5-63B-1ND40100 | 40A | 1P+N | D | B | 100mA | 133375 |
| EKL5-63B-1ND50100 | 50A | 1P+N | D | B | 100mA | 133376 |
| EKL5-63B-1ND63100 | 63A | 1P+N | D | B | 100mA | 133377 |
| EKL5-63B-1ND06300 | 6A | 1P+N | D | B | 300mA | 133378 |
| EKL5-63B-1ND10300 | 10A | 1P+N | D | B | 300mA | 133379 |
| EKL5-63B-1ND16300 | 16A | 1P+N | D | B | 300mA | 133380 |
| EKL5-63B-1ND20300 | 20A | 1P+N | D | B | 300mA | 133381 |
| EKL5-63B-1ND25300 | 25A | 1P+N | D | B | 300mA | 133382 |
| EKL5-63B-1ND32300 | 32A | 1P+N | D | B | 300mA | 133383 |
| EKL5-63B-1ND40300 | 40A | 1P+N | D | B | 300mA | 133384 |
| EKL5-63B-1ND50300 | 50A | 1P+N | D | B | 300mA | 133385 |
| EKL5-63B-1ND63300 | 63A | 1P+N | D | B | 300mA | 133386 |
| EKL5-63B-3NB0630 | 6A | 3P+N | B | B | 30mA | 132455 |
| EKL5-63B-3NB1030 | 10A | 3P+N | B | B | 30mA | 132456 |
| EKL5-63B-3NB1630 | 16A | 3P+N | B | B | 30mA | 132457 |
| EKL5-63B-3NB2030 | 20A | 3P+N | B | B | 30mA | 132458 |
| EKL5-63B-3NB2530 | 25A | 3P+N | B | B | 30mA | 132459 |
| EKL5-63B-3NB3230 | 32A | 3P+N | B | B | 30mA | 132460 |
| EKL5-63B-3NB4030 | 40A | 3P+N | B | B | 30mA | 132461 |
| EKL5-63B-3NB5030 | 50A | 3P+N | B | B | 30mA | 132462 |
| EKL5-63B-3NB6330 | 63A | 3P+N | B | B | 30mA | 132463 |
| EKL5-63B-3NB06100 | 6A | 3P+N | B | B | 100mA | 132464 |
| EKL5-63B-3NB10100 | 10A | 3P+N | B | B | 100mA | 132465 |
| EKL5-63B-3NB16100 | 16A | 3P+N | B | B | 100mA | 132466 |
| EKL5-63B-3NB20100 | 20A | 3P+N | B | B | 100mA | 132467 |
| EKL5-63B-3NB25100 | 25A | 3P+N | B | B | 100mA | 132468 |
| EKL5-63B-3NB32100 | 32A | 3P+N | B | B | 100mA | 132469 |
| EKL5-63B-3NB40100 | 40A | 3P+N | B | B | 100mA | 132470 |
| EKL5-63B-3NB50100 | 50A | 3P+N | B | B | 100mA | 132471 |
| EKL5-63B-3NB63100 | 63A | 3P+N | B | B | 100mA | 132472 |
| EKL5-63B-3NB06300 | 6A | 3P+N | B | B | 300mA | 132473 |
| EKL5-63B-3NB10300 | 10A | 3P+N | B | B | 300mA | 132474 |
| EKL5-63B-3NB16300 | 16A | 3P+N | B | B | 300mA | 132475 |
| EKL5-63B-3NB20300 | 20A | 3P+N | B | B | 300mA | 132476 |
| EKL5-63B-3NB25300 | 25A | 3P+N | B | B | 300mA | 132477 |
| EKL5-63B-3NB32300 | 32A | 3P+N | B | B | 300mA | 132478 |
| EKL5-63B-3NB40300 | 40A | 3P+N | B | B | 300mA | 132479 |
| EKL5-63B-3NB50300 | 50A | 3P+N | B | B | 300mA | 132480 |
| EKL5-63B-3NB63300 | 63A | 3P+N | B | B | 300mA | 132481 |
| EKL5-63B-3NC0630 | 6A | 3P+N | C | B | 30mA | 132482 |
| EKL5-63B-3NC1030 | 10A | 3P+N | C | B | 30mA | 132483 |
| EKL5-63B-3NC1630 | 16A | 3P+N | C | B | 30mA | 132484 |
| EKL5-63B-3NC2030 | 20A | 3P+N | C | B | 30mA | 132485 |
| EKL5-63B-3NC2530 | 25A | 3P+N | C | B | 30mA | 132486 |
| EKL5-63B-3NC3230 | 32A | 3P+N | C | B | 30mA | 132487 |
| EKL5-63B-3NC4030 | 40A | 3P+N | C | B | 30mA | 132488 |
| EKL5-63B-3NC5030 | 50A | 3P+N | C | B | 30mA | 132489 |
| EKL5-63B-3NC6330 | 63A | 3P+N | C | B | 30mA | 132490 |
| EKL5-63B-3NC06100 | 6A | 3P+N | C | B | 100mA | 132491 |
| EKL5-63B-3NC10100 | 10A | 3P+N | C | B | 100mA | 132492 |
| EKL5-63B-3NC16100 | 16A | 3P+N | C | B | 100mA | 132493 |
| EKL5-63B-3NC20100 | 20A | 3P+N | C | B | 100mA | 132494 |
| EKL5-63B-3NC25100 | 25A | 3P+N | C | B | 100mA | 132495 |
| EKL5-63B-3NC32100 | 32A | 3P+N | C | B | 100mA | 132496 |
| EKL5-63B-3NC40100 | 40A | 3P+N | C | B | 100mA | 132497 |
| EKL5-63B-3NC50100 | 50A | 3P+N | C | B | 100mA | 132498 |
| EKL5-63B-3NC63100 | 63A | 3P+N | C | B | 100mA | 132499 |
| EKL5-63B-3NC06300 | 6A | 3P+N | C | B | 300mA | 132500 |
| EKL5-63B-3NC10300 | 10A | 3P+N | C | B | 300mA | 132501 |
| EKL5-63B-3NC16300 | 16A | 3P+N | C | B | 300mA | 132502 |
| EKL5-63B-3NC20300 | 20A | 3P+N | C | B | 300mA | 132503 |
| EKL5-63B-3NC25300 | 25A | 3P+N | C | B | 300mA | 132504 |
| EKL5-63B-3NC32300 | 32A | 3P+N | C | B | 300mA | 132505 |
| EKL5-63B-3NC40300 | 40A | 3P+N | C | B | 300mA | 132506 |
| EKL5-63B-3NC50300 | 50A | 3P+N | C | B | 300mA | 132507 |
| EKL5-63B-3NC63300 | 63A | 3P+N | C | B | 300mA | 132508 |
| EKL5-63B-3ND0630 | 6A | 3P+N | D | B | 30mA | 133387 |
| EKL5-63B-3ND1030 | 10A | 3P+N | D | B | 30mA | 133388 |
| EKL5-63B-3ND1630 | 16A | 3P+N | D | B | 30mA | 133389 |
| EKL5-63B-3ND2030 | 20A | 3P+N | D | B | 30mA | 133390 |
| EKL5-63B-3ND2530 | 25A | 3P+N | D | B | 30mA | 133391 |
| EKL5-63B-3ND3230 | 32A | 3P+N | D | B | 30mA | 133392 |
| EKL5-63B-3ND4030 | 40A | 3P+N | D | B | 30mA | 133393 |
| EKL5-63B-3ND5030 | 50A | 3P+N | D | B | 30mA | 133394 |
| EKL5-63B-3ND6330 | 63A | 3P+N | D | B | 30mA | 133395 |
| EKL5-63B-3ND06100 | 6A | 3P+N | D | B | 100mA | 133396 |
| EKL5-63B-3ND10100 | 10A | 3P+N | D | B | 100mA | 133397 |
| EKL5-63B-3ND16100 | 16A | 3P+N | D | B | 100mA | 133398 |
| EKL5-63B-3ND20100 | 20A | 3P+N | D | B | 100mA | 133399 |
| EKL5-63B-3ND25100 | 25A | 3P+N | D | B | 100mA | 133400 |
| EKL5-63B-3ND32100 | 32A | 3P+N | D | B | 100mA | 133401 |
| EKL5-63B-3ND40100 | 40A | 3P+N | D | B | 100mA | 133402 |
| EKL5-63B-3ND50100 | 50A | 3P+N | D | B | 100mA | 133403 |
| EKL5-63B-3ND63100 | 63A | 3P+N | D | B | 100mA | 133404 |
| EKL5-63B-3ND06300 | 6A | 3P+N | D | B | 300mA | 133405 |
| EKL5-63B-3ND10300 | 10A | 3P+N | D | B | 300mA | 133406 |
| EKL5-63B-3ND16300 | 16A | 3P+N | D | B | 300mA | 133407 |
| EKL5-63B-3ND20300 | 20A | 3P+N | D | B | 300mA | 133408 |
| EKL5-63B-3ND25300 | 25A | 3P+N | D | B | 300mA | 133409 |
| EKL5-63B-3ND32300 | 32A | 3P+N | D | B | 300mA | 133410 |
| EKL5-63B-3ND40300 | 40A | 3P+N | D | B | 300mA | 133411 |
| EKL5-63B-3ND50300 | 50A | 3P+N | D | B | 300mA | 133412 |
| EKL5-63B-3ND63300 | 63A | 3P+N | D | B | 300mA | 133413 |
