● Norma: IEC61008-1, IEC61008-2, IEC62955
● Clasificación de RDC-DD: RDC-PD
● Comportamiento en presencia de componentes de corriente continua: Tipo A
● Corriente nominal: 16~63 A
● Tensión nominal: 230/400 V ~ 240/415 V
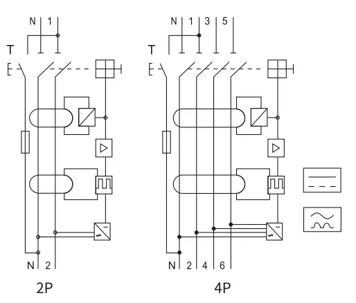
● Polos: 2P(1P+N), 4P(3P+N), polo N a la izquierda
● Corriente de funcionamiento residual nominal (IΔn): 30 mA
● Corriente de funcionamiento residual nominal de CC (IΔdc): 6 mA
● Temperatura ambiente del aire: -25...+55 ºC
● Conexión: desde arriba y desde abajo
● Certificados: CE, CB, TUV, UKCA
● Aplicaciones: Estación de carga de vehículos eléctricos
El RCD EV tipo EKL6-63EV de ETEK es una solución rentable que combina la funcionalidad de un RCCB tipo A con un sensor de CC de 6 mA. Este dispositivo está diseñado específicamente para sistemas de carga de vehículos eléctricos y cumple con los requisitos de dispositivos de corriente residual de las normas IEC 61851-1 e IEC 60364-7-722. El diseño compacto del RCD EV tipo integra protección de corriente residual de 30 mA CA (tipo A) y de 6 mA CC. Además, el dispositivo cumple con los estándares de RCCB tipo A y RDC-PD (corriente continua residual - detección pulsante) según lo definido por IEC 62955.
Estos RCD solo se pueden utilizar como protección cuando se cargan vehículos eléctricos en línea. No se pueden utilizar para ninguna otra aplicación. Por supuesto, también es posible utilizar el RCD tipo B en aplicaciones de carga de vehículos eléctricos.
El interruptor diferencial de tipo EV no puede utilizarse en ningún caso como sustituto del de tipo B. Solo detecta corrientes residuales de tipo A (corrientes residuales de CA y pulsantes a la frecuencia nominal de 50 Hz), así como corrientes residuales de CC lisas (desconexión a máx. 6 mA) gracias a la función adicional integrada.
Seguridad avanzada en la carga de vehículos eléctricos: diseñada específicamente para los requisitos exclusivos de las estaciones de carga de vehículos eléctricos.
Protección sensible a CC de 6 mA: detecta e interrumpe incluso las corrientes de fuga de CC más pequeñas (6 mA), superando los requisitos estándar para una mayor seguridad.
Cumplimiento de IEC 62955: cumple con el estricto estándar internacional para dispositivos de detección de corriente continua residual utilizados en equipos de carga de vehículos eléctricos.
Óptimo para carga de modo 3: ideal para usar en estaciones de carga de modo 3, lo que garantiza el máximo nivel de seguridad para la carga de CA.
Alta clasificación de corriente: capacidad de 63 A adecuada para una amplia gama de aplicaciones de carga de vehículos eléctricos, desde instalaciones residenciales hasta comerciales.
Operación confiable: diseñado para un rendimiento constante y longevidad, incluso en condiciones ambientales exigentes.
Fácil instalación e integración: diseñado para una instalación sencilla y una integración perfecta en los sistemas de carga de vehículos eléctricos.
Indicadores visuales claros: cuenta con indicadores de estado fácilmente identificables para realizar comprobaciones visuales rápidas y solucionar problemas de manera eficiente.
Estaciones de carga de vehículos eléctricos públicas y privadas
Puntos de carga de vehículos eléctricos residenciales
Infraestructura de carga de vehículos eléctricos en comercios y lugares de trabajo
Sistemas de carga de vehículos eléctricos de flotas
Estaciones de carga de vehículos eléctricos en edificios residenciales multifamiliares
El diferencial tipo EV EKL6-63EV de ETEK Electric representa un compromiso con los más altos estándares de seguridad en la carga de vehículos eléctricos. Al elegir el EKL6-63EV, está invirtiendo en protección avanzada que prioriza la seguridad del usuario y garantiza una experiencia de carga segura y confiable para todos los propietarios de vehículos eléctricos.
| Estándar |
IEC61008-1, IEC61008-2, IEC62955
|
|
Protección
|
Falla a tierra
|
|
Tipo de viaje
|
Electromagnético
|
|
Tipo de protección (fuga eléctrica)
|
Corriente de fuga A y CC |
| Clasificación de RDC-DD | RDC-PD |
|
Número de polos
|
2P(1P+N), 4P(3P+N), polo N a la izquierda
|
| Corriente nominal In | 16,25,32,40,63A |
| Tensión nominal Ue | 2P 240 V~, 4P 415 V~ |
| Frecuencia nominal | 50/60 Hz |
|
Corrientes de sensibilidad nominal IΔn
|
30 mA |
| Umbral de disparo de CC (IΔdc) | 6 mA |
|
Tiempo de inactividad de la corriente residual bajo IΔn
|
≤0,1 s |
| Capacidad residual nominal de cierre y corte (IΔm) | 500 A (In≤40 A), 10 In (In>40 A) |
|
Capacidad de ruptura nominal
|
10.000 A |
| Fusible SCPD | 10 kA |
| Tensión nominal soportada al impulso (1,5/50) Uimp | 4000 V |
| Tensión de prueba dieléctrica a frecuencia ind. durante 1 min | 2,5 kV |
| Vida eléctrica | 2.000 ciclos |
| Vida mecánica | 4.000 ciclos |
| Indicador de posición de contacto | Sí |
|
Indicador de falla a tierra
|
Sí |
| Grado de protección | IP20 |
| Temperatura ambiente |
-25℃ a 55℃, humedad máxima del 95 %
|
| Tipo de conexión de terminal | Cable/Barra colectora tipo clavija/Barra colectora tipo U |
|
Tamaño máximo de terminal para cable
|
35 mm 2 |
| Par de apriete máximo | 2,5 Nm |
|
Instalación
|
Montaje en carril DIN de 35 mm
|
| Conexión |
De arriba a abajo
|


| Modelo | Corriente nominal | Polacos | Tipo de RCD | Corriente residual | Código |
| EKL6-63EV-1N2530AD6 | 25A | 1P+N | A | 30mA+6mA DC | 125452 |
| EKL6-63EV-1N3230AD6 | 32A | 1P+N | A | 30mA+6mA DC | 125225 |
| EKL6-63EV-1N4030AD6 | 40A | 1P+N | A | 30mA+6mA DC | 125453 |
| EKL6-63EV-1N6330AD6 | 63A | 1P+N | A | 30mA+6mA DC | 125454 |
| EKL6-63EV-3N2530AD6 | 25A | 3P+N | A | 30mA+6mA DC | 125455 |
| EKL6-63EV-3N3230AD6 | 32A | 3P+N | A | 30mA+6mA DC | 125226 |
| EKL6-63EV-3N4030AD6 | 40A | 3P+N | A | 30mA+6mA DC | 125456 |
| EKL6-63EV-3N6330AD6 | 63A | 3P+N | A | 30mA+6mA DC | 125457 |
