● Norma: IEC61008-1
● Tipo: CA, A
● Corriente nominal: 16~63 A
● Tensión nominal: 230/400 V ~ 240/415 V
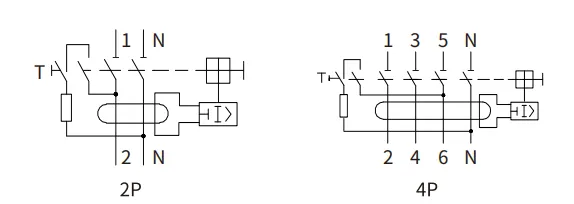
● Polos: 2P(1P+N), 4P(3P+N), polo N a la derecha
● Sensibilidad nominal I△n: 30 mA, 100 mA, 300 mA, 10 mA (2P, 1P+N; 16 A, 25 A)
● Capacidad nominal de ruptura de cortocircuito: 6 kA, 10 kA
● Temperatura ambiente del aire: -25...+40ºC
● Conexión: desde arriba y desde abajo
● Certificados: CB, CE, TUV
El disyuntor de corriente residual EKL1-63 es adecuado para circuitos de CA de 50/60 Hz. Tensión nominal de 240 V para 1P+N y 415 V para 3P+N, y corriente nominal de hasta 63 A. Cuando las personas sufren una descarga eléctrica o la corriente de fuga de la red eléctrica supera el valor fijado, este producto puede cortar la corriente de falla en un corto período de tiempo para proteger a las personas y los equipos. También se puede utilizar en el arranque poco frecuente del circuito y los motores. El disyuntor es adecuado para la industria, el comercio, los edificios de gran altura, los hogares y otros tipos de lugares. Este producto cumple con la norma IEC/EN61008-1.
Alta capacidad de ruptura: disponible en opciones de 6 kA y 10 kA, lo que proporciona flexibilidad para diferentes necesidades de aplicación.
Rango de corriente versátil: admite clasificaciones de corriente de 16 A a 63 A, lo que se adapta a diversas configuraciones eléctricas.
Múltiples opciones de configuración: Se ofrece en configuraciones 1P+N, 3P+N para diversos requisitos de instalación.
Cumplimiento de IEC 61008-1: cumple con los estándares internacionales para disyuntores de corriente residual, lo que garantiza un rendimiento confiable.
Detección eficaz de fugas: protege contra corrientes de fuga peligrosas, mejorando la seguridad eléctrica general.
Construcción robusta: fabricado con materiales de alta calidad para mayor durabilidad y confiabilidad a largo plazo.
Instalación sencilla: diseñado para una fácil integración en sistemas eléctricos existentes con un montaje sencillo.
Pantalla indicadora clara: cuenta con indicadores visibles de encendido/apagado y de disparo para un monitoreo eficiente y un diagnóstico rápido de fallas.
Protección integral: ofrece protección mejorada contra sobrecargas y cortocircuitos cuando se utiliza con un MCB.
Instalaciones eléctricas residenciales
Edificios comerciales y de oficinas
Plantas industriales e instalaciones de fabricación
Edificios del sector público (escuelas, hospitales, etc.)
Establecimientos minoristas y centros comerciales
Lugares de hospitalidad como hoteles y complejos turísticos
Infraestructura de TI y centros de datos
Sistemas de energía renovable
El interruptor diferencial EKL1-63 de ETEK Electric está diseñado para cumplir con los más altos estándares de seguridad y ofrece protección confiable tanto para personas como para equipos. Al elegir el EKL1-63, está invirtiendo en una solución de protección de circuitos de alta calidad que garantiza la seguridad y la eficiencia de sus sistemas eléctricos. Ideal tanto para nuevas instalaciones como para actualizaciones, el interruptor diferencial EKL1-63 es una opción confiable para las necesidades de seguridad eléctrica modernas.
|
Estándar
|
IEC/EN61008-1
|
||
|
Protección
|
Falla a tierra
|
||
|
Tipo de viaje
|
Electromagnético
|
||
|
Tipo de protección (fuga eléctrica)
|
Aire acondicionado, A
|
||
|
Número de polos
|
2P(1P+N), 4P(3P+N), polo N a la derecha
|
||
| Corriente nominal In | 16,25,32,40,63A | ||
|
Corrientes de sensibilidad nominal I△n
|
10, 30, 100, 300 mA (10 mA solo para In=16-25 A)
|
||
|
Tiempo de inactividad de la corriente residual según I△n
|
≤0,1 s
|
||
|
Capacidad residual nominal de cierre y corte (I△m)
|
500 A (In≤50 A), 10 In (In>50 A)
|
||
| Tensión nominal Ue |
1P+N: 230/240 V~, 3P+N: 400/415 V~
|
||
| Frecuencia nominal | 50/60 Hz | ||
|
Fusible SCPD
|
EKL1-63: 6000 A | ||
| EKL1-63H: 10 000 A | |||
| Tensión nominal soportada al impulso (1,5/50) Uimp | 4000 V | ||
| Tensión de prueba dieléctrica a frecuencia ind. durante 1 min | 2 kV | ||
| Vida eléctrica | 2.000 ciclos | ||
| Vida mecánica | 4.000 ciclos | ||
| Indicador de posición de contacto | Sí | ||
| Grado de protección | IP20 | ||
| Temperatura ambiente |
-25℃ a +40℃, humedad máxima del 95 %
|
||
| Tipo de conexión de terminal |
Cable/Barra colectora tipo clavija/Barra colectora tipo horquilla
|
||
|
Tamaño máximo de terminal para cable
|
25 mm 2 | ||
|
Par de apriete máximo
|
2,5 Nm | ||
|
Instalación
|
Montaje en carril DIN de 35 mm
|
||
| Conexión |
De arriba a abajo
|
||


| Capacidad de ruptura | Polacos | Corriente nominal (A) | Tipo de CA | ||
| Sensibilidad | |||||
| 30mA | 100mA | 300mA | |||
| 6KA | 1P+N | 16A | EKL1-63-1N1630 | EKL1-63-1N16100 | EKL1-63-1N16300 |
| 25A | EKL1-63-1N2530 | EKL1-63-1N25100 | EKL1-63-1N25300 | ||
| 32A | EKL1-63-1N3230 | EKL1-63-1N32100 | EKL1-63-1N32300 | ||
| 40A | EKL1-63-1N4030 | EKL1-63-1N40100 | EKL1-63-1N40300 | ||
| 50A | EKL1-63-1N5030 | EKL1-63-1N50100 | EKL1-63-1N50300 | ||
| 63A | EKL1-63-1N6330 | EKL1-63-1N63100 | EKL1-63-1N63300 | ||
| 3P+N | 16A | EKL1-63-3N1630 | EKL1-63-3N16100 | EKL1-63-3N16300 | |
| 25A | EKL1-63-3N2530 | EKL1-63-3N25100 | EKL1-63-3N25300 | ||
| 32A | EKL1-63-3N3230 | EKL1-63-3N32100 | EKL1-63-3N32300 | ||
| 40A | EKL1-63-3N4030 | EKL1-63-3N40100 | EKL1-63-3N40300 | ||
| 50A | EKL1-63-3N5030 | EKL1-63-3N50100 | EKL1-63-3N50300 | ||
| 63A | EKL1-63-3N6330 | EKL1-63-3N63100 | EKL1-63-3N63300 | ||
| 10KA | 1P+N | 16A | EKL1-63H-1N1630 | EKL1-63-1N16100A | EKL1-63-1N16300A |
| 25A | EKL1-63H-1N2530 | EKL1-63H-1N16100 | EKL1-63H-1N16300 | ||
| 32A | EKL1-63H-1N3230 | EKL1-63H-1N25100 | EKL1-63H-1N25300 | ||
| 40A | EKL1-63H-1N4030 | EKL1-63H-1N32100 | EKL1-63H-1N32300 | ||
| 50A | EKL1-63H-1N5030 | EKL1-63H-1N40100 | EKL1-63H-1N40300 | ||
| 63A | EKL1-63H-1N6330 | EKL1-63H-1N50100 | EKL1-63H-1N50300 | ||
| 3P+N | 16A | EKL1-63H-3N1630 | EKL1-63H-3N16100 | EKL1-63H-3N16300 | |
| 25A | EKL1-63H-3N2530 | EKL1-63H-3N25100 | EKL1-63H-3N25300 | ||
| 32A | EKL1-63H-3N3230 | EKL1-63H-3N32100 | EKL1-63H-3N32300 | ||
| 40A | EKL1-63H-3N4030 | EKL1-63H-3N40100 | EKL1-63H-3N40300 | ||
| 50A | EKL1-63H-3N5030 | EKL1-63H-3N50100 | EKL1-63H-3N50300 | ||
| 63A | EKL1-63H-3N6330 | EKL1-63H-3N63100 | EKL1-63H-3N63300 | ||
| Capacidad de ruptura | Polacos | Corriente nominal (A) | Un tipo | ||
| Sensibilidad | |||||
| 30mA | 100mA | 300mA | |||
| 6KA | 1P+N | 16A | EKL1-63-1N1630A | EKL1-63-1N16100A | EKL1-63-1N16300A |
| 25A | EKL1-63-1N2530A | EKL1-63-1N25100A | EKL1-63-1N25300A | ||
| 32A | EKL1-63-1N3230A | EKL1-63-1N32100A | EKL1-63-1N32300A | ||
| 40A | EKL1-63-1N4030A | EKL1-63-1N40100A | EKL1-63-1N40300A | ||
| 50A | EKL1-63-1N5030A | EKL1-63-1N50100A | EKL1-63-1N50300A | ||
| 63A | EKL1-63-1N6330A | EKL1-63-1N63100A | EKL1-63-1N63300A | ||
| 3P+N | 16A | EKL1-63-3N1630A | EKL1-63-3N16100A | EKL1-63-3N16300A | |
| 25A | EKL1-63-3N2530A | EKL1-63-3N25100A | EKL1-63-3N25300A | ||
| 32A | EKL1-63-3N3230A | EKL1-63-3N32100A | EKL1-63-3N32300A | ||
| 40A | EKL1-63-3N4030A | EKL1-63-3N40100A | EKL1-63-3N40300A | ||
| 50A | EKL1-63-3N5030A | EKL1-63-3N50100A | EKL1-63-3N50300A | ||
| 63A | EKL1-63-3N6330A | EKL1-63-3N63100A | EKL1-63-3N63300A | ||
| 10KA | 1P+N | 16A | EKL1-63H-1N1630A | EKL1-63H-1N16100A | EKL1-63H-1N16300A |
| 25A | EKL1-63H-1N2530A | EKL1-63H-1N25100A | EKL1-63H-1N25300A | ||
| 32A | EKL1-63H-1N3230A | EKL1-63H-1N32100A | EKL1-63H-1N32300A | ||
| 40A | EKL1-63H-1N4030A | EKL1-63H-1N40100A | EKL1-63H-1N40300A | ||
| 50A | EKL1-63H-1N5030A | EKL1-63H-1N50100A | EKL1-63H-1N50300A | ||
| 63A | EKL1-63H-1N6330A | EKL1-63H-1N63100A | EKL1-63H-1N63300A | ||
| 3P+N | 16A | EKL1-63H-3N1630A | EKL1-63H-3N16100A | EKL1-63H-3N16300A | |
| 25A | EKL1-63H-3N2530A | EKL1-63H-3N25100A | EKL1-63H-3N25300A | ||
| 32A | EKL1-63H-3N3230A | EKL1-63H-3N32100A | EKL1-63H-3N32300A | ||
| 40A | EKL1-63H-3N4030A | EKL1-63H-3N40100A | EKL1-63H-3N40300A | ||
| 50A | EKL1-63H-3N5030A | EKL1-63H-3N50100A | EKL1-63H-3N50300A | ||
| 63A | EKL1-63H-3N6330A | EKL1-63H-3N63100A | EKL1-63H-3N63300A | ||
