● Voltaje nominal: hasta 1000 V CC
● Canales de entrada: Máx. 6 canales
● Canales de entrada: 1 cadena
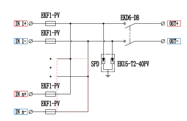
● Dispositivos de protección: Fusibles integrados y protección contra sobretensiones.
● Carcasa: clasificación IP65 para uso en exteriores
● Cumplimiento: Cumple con los estándares de seguridad internacionales.
La caja de conexión de CC para sistemas solares fotovoltaicos de la serie EKDBS-PV está diseñada con una carcasa de plástico de alta resistencia para garantizar que el producto sea resistente y duradero. La caja de conexión tiene un nivel de protección IP65 y proporciona una protección óptima en condiciones ambientales adversas. Estas cajas de conexión son adecuadas para sistemas de generación de energía fotovoltaica domésticos e industriales con voltajes de funcionamiento de 500 V, 600 V y 1000 V.
La caja combinadora puede equiparse con una serie de componentes como disyuntores de CC, seccionadores, protectores de sobretensión de CC, fusibles de CC, conectores fotovoltaicos o conectores a prueba de agua.
La serie EKDBS-PV ofrece protección contra rayos, cortocircuitos y conexión a tierra para garantizar la seguridad del sistema. Admite hasta 6 cadenas de entrada de CC y se puede montar fácilmente en la pared. Además de los componentes principales, todos los componentes se pueden personalizar según los requisitos del usuario.
| Modelo | EKDBS-PV1/1 | EKDBS-PV2/1 | EKDBS-PV3/1 | EKDBS-PV4/1 | |||
| Cadenas de entrada de CC | 1 | 2 | 3 | 4 | |||
| Cadenas de salida | 1 | 1 | 1 | 1 | |||
| Voltaje máximo de CC | 600 V | 1000 V | 600 V | 1000 V | 500 V | 1000 V | 1000 VCC |
| Corriente de entrada máxima | 32A | 15A | 20A | 8A/15A | |||
| Corriente de salida máxima | 32A | 32A | 63A | 32A/63A | |||
| Protección contra sobretensiones | |||||||
| Nivel experimental | Ⅱ | Ⅱ | Ⅱ | Ⅱ | |||
| Voltaje máximo de operación | 600 V | 1000 V | 600 V | 1000 V | 600 V | 1000 V | 1000 V |
| En (8/20μs) | 20 kA | 20 kA | 20 kA | 20 kA | |||
| Imáx (8/20 μs) | 40 kA | 40 kA | 40 kA | 40 kA | |||
| Nivel de protección de voltaje | 2,6 kV | 4 kV | 2,6 kV | 4 kV | 2,6 kV | 4 kV | 4 |
| Polacos | 2 | 3 | 2 | 3 | 2 | 3 | 3 |
| Características de diseño | Módulo enchufable | ||||||
| Fusible de CC | |||||||
| Tensión nominal de funcionamiento | 1000 V | 1000 V | 1000 V | 1000 V | |||
| Corriente nominal | 32 A (8 ~ 32 A) | 15A | 20A | 8A/15A | |||
| Tamaño del fusible | 10x38 mm | 10x38 mm | 10x38 mm | 10x38 mm | |||
| Interruptor principal (MCB o interruptor aislador disponible) | |||||||
| Corriente nominal | 32A | 32A | 32A/63A | 32A/63A | |||
| Recinto | |||||||
| Tipo de material | PC + ABS | ||||||
| Grado de protección | IP65 | ||||||
| Nivel de protección contra impactos | IK10 | ||||||
| Dimensión | Determinado por el tipo de interruptor principal y el voltaje de entrada (personalizable) | ||||||
| Conector de entrada o salida | PG o MC4 | ||||||
| Ambiente | |||||||
| Temperatura de funcionamiento | -25℃ a +55℃ | ||||||
| Humedad | 95% | ||||||
| Altitud | 2000 metros | ||||||
| Instalación | Montaje en pared | ||||||


