● Voltaje nominal: hasta 1000 V CC
● Canales de entrada: Máx. 6 canales
● Canales de salida: 2 canales
● Dispositivos de protección: Fusibles integrados y protección contra sobretensiones.
● Carcasa: clasificación IP65 para uso en exteriores
● Cumplimiento: Cumple con los estándares de seguridad internacionales.
La caja de conexión de CC para sistemas solares fotovoltaicos de la serie EKDBS-PV está diseñada con una carcasa de plástico de alta resistencia para garantizar que el producto sea resistente y duradero. La caja de conexión tiene un nivel de protección IP65 y proporciona una protección óptima en condiciones ambientales adversas. Estas cajas de conexión son adecuadas para sistemas de generación de energía fotovoltaica domésticos e industriales con voltajes de funcionamiento de 500 V, 600 V y 1000 V.
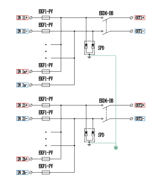
La caja combinadora puede equiparse con una serie de componentes como disyuntores de CC, seccionadores, protectores de sobretensión de CC, fusibles de CC, conectores fotovoltaicos o conectores a prueba de agua.
La serie EKDBS-PV ofrece protección contra rayos, cortocircuitos y conexión a tierra para garantizar la seguridad del sistema. Admite hasta 6 cadenas de entrada de CC y se puede montar fácilmente en la pared. Además de los componentes principales, todos los componentes se pueden personalizar según los requisitos del usuario.
| Modelo | EKDBS-PV2/2 | EKDBS-PV4/2 | EKDBS-PV6/2 | |||
| Cadenas de entrada de CC | 2 | 4 | 6 | |||
| Cadenas de salida | 2 | 2 | 2 | |||
| Voltaje máximo de CC | 600 V | 1000 V | 500 V | 1000 V | 1000 V | |
| Corriente de entrada máxima | 32A | 15A | 10 A/20 A | |||
| Corriente de salida máxima | 32A | 32A | 32A/63A | |||
| Protección contra sobretensiones | ||||||
| Nivel experimental | Ⅱ | Ⅱ | Ⅱ | |||
| Voltaje máximo de operación | 600 V | 1000 V | 600 V | 1000 V | 1000 V | |
| En (8/20μs) | 20 kA | 20 kA | 20 kA | |||
| Imáx (8/20 μs) | 40 kA | 40 kA | 40 kA | |||
| Nivel de protección de voltaje | 2,6 kV | 4 kV | 2,6 kV | 4 kV | 4 kV | |
| Polacos | 2P | 3P | 2P | 3P | 3P | |
| Características de diseño | Módulo enchufable | |||||
| Fusible de CC | ||||||
| Tensión nominal de funcionamiento | 1000 V | 1000 V | 1000 V | |||
| Corriente nominal | 32 A (8 ~ 32 A) | 15A | 10 A/20 A | |||
| Tamaño del fusible | 10x38 mm | 10x38 mm | 10x38 mm | |||
| Interruptor principal (MCB o interruptor aislador disponible) | ||||||
| Corriente nominal | 32A | 32A | 32A/63A | |||
| Recinto | ||||||
| Tipo de material | PC + ABS | |||||
| Grado de protección | IP65 | |||||
| Nivel de protección contra impactos | IK10 | |||||
| Dimensión | Determinado por el tipo de interruptor principal y el voltaje de entrada (personalizable) | |||||
| Conector de entrada o salida | PG o MC4 | |||||
| Ambiente | ||||||
| Temperatura de funcionamiento | -25℃ a +55℃ | |||||
| Humedad | 95% | |||||
| Altitud | 2000 metros | |||||
| Instalación | Montaje en pared | |||||

